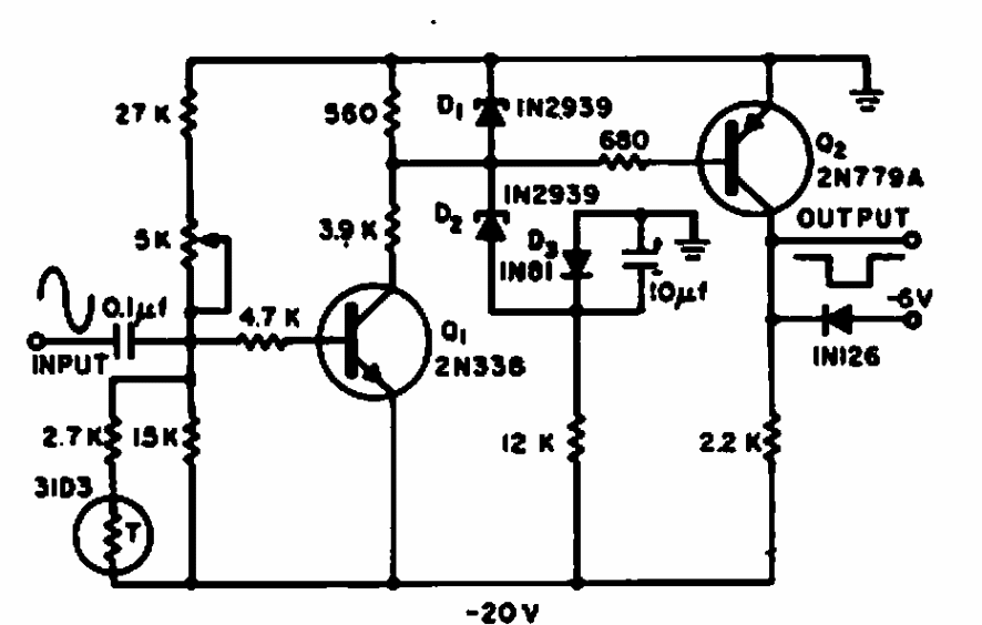
Encontrado numa Electronic Design de 1964 este circuito fornece uma saída retangular de 1 a 25 kHz. Os componentes usados são da época.

 


| Clique na imagem para ampliar |

 

 

 

NO YOUTUBE


NOSSO PODCAST