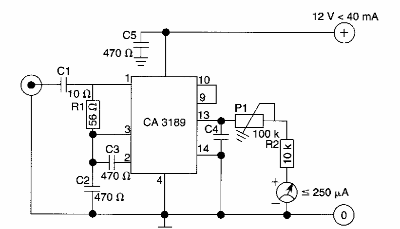
O essímetro ou S-meter é um medidor de intensidade de sinal usado em receptores de comunicação. Este circuito foi encontrado numa 303 Circuits dos anos 90, publicação europeia.
O essímetro ou S-meter é um medidor de intensidade de sinal usado em receptores de comunicação. Este circuito foi encontrado numa 303 Circuits dos anos 90, publicação europeia.