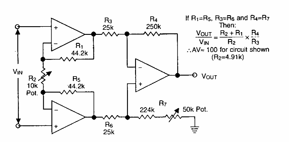
Sugerido pela National Semiconductor, este circuito pode ser aplicado a praticamente qualquer amplificador operacional. A resistência de entrada é extremamente elevada.
Sugerido pela National Semiconductor, este circuito pode ser aplicado a praticamente qualquer amplificador operacional. A resistência de entrada é extremamente elevada.