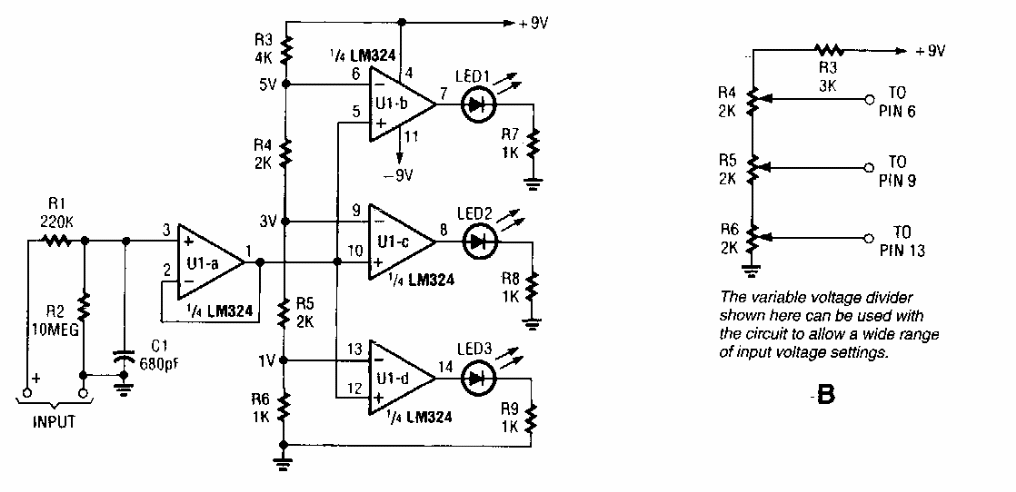
Este circuito de comparador de janela foi encontrado numa Popular Electronics dos anos 90. O circuito tem uma rede de entrada de ajuste múltiplo para determinar as faixas de operação.
Este circuito de comparador de janela foi encontrado numa Popular Electronics dos anos 90. O circuito tem uma rede de entrada de ajuste múltiplo para determinar as faixas de operação.