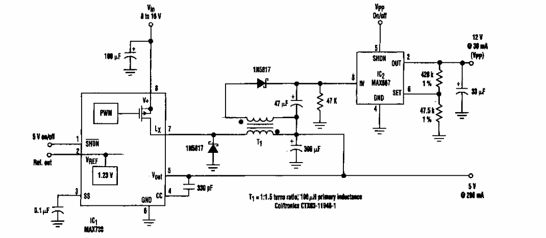
Encontrado numa Electronic Design dos anos 90, este circuito fornece uma saída adicional de 12 V a um regulador de 5 V. A corrente máxima é de 200 mA.

 


| Clique na imagem para ampliar |

 

 

 

NO YOUTUBE


NOSSO PODCAST