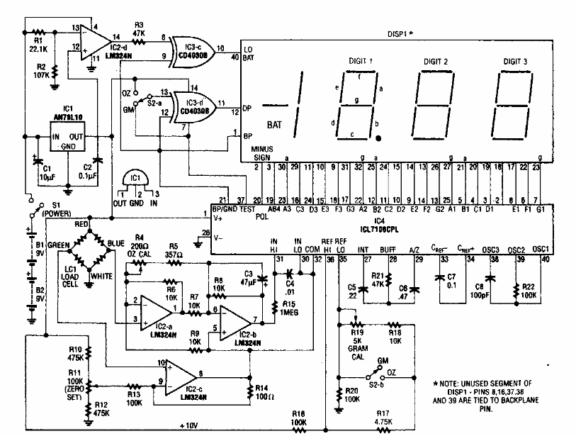
Usando componentes da época esta balança de 3 e meio dígitos foi encontrada numa Electronics Now dos anos 90. O circuito é alimentado por bateria de 9 V.

 


| Clique na imagem para ampliar |

 

 

 

NO YOUTUBE


NOSSO PODCAST