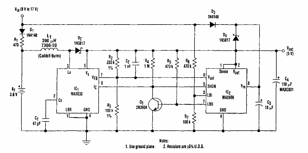
Encontrado numa Electronic Design dos anos 90, este circuito é usado com um adaptador de 9 V para alimentação de pequenos circuitos. A corrente máxima é dada pelo regulador de 250 mW.