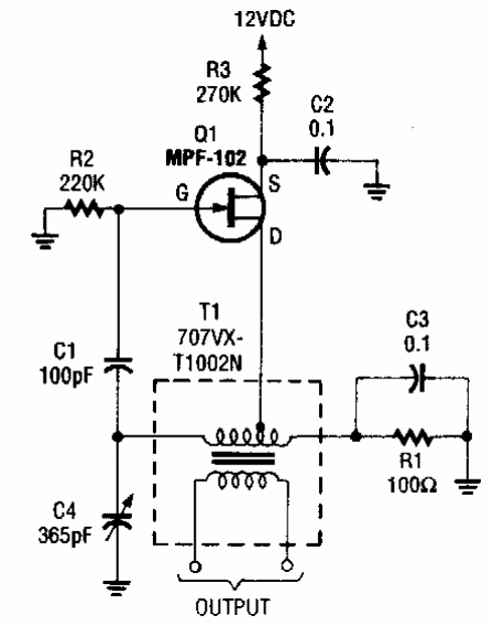
Encontrado numa Popular Electronics dos anos 90, este circuito gera sinais de 530 a 1600 kHz para ajustes em rádios AM. A bobina é uma osciladora de rádio transistorizado da época.

Encontrado numa Popular Electronics dos anos 90, este circuito gera sinais de 530 a 1600 kHz para ajustes em rádios AM. A bobina é uma osciladora de rádio transistorizado da época.
