Fonte simétrica para amplificadores CIR15632S CB8503E (CIR18595)
Detalhes
Escrito por: Newton C. Braga
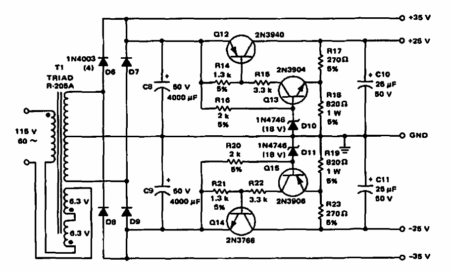
Esta fonte simétrica de quatro tensões foi encontrada em documentação da Motorola de 1968. O circuito é de tipo que se usava comumente em amplificadores da época.