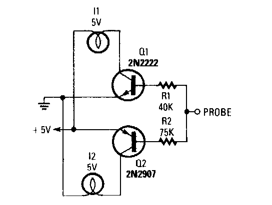
Usando transistores e lâmpadas, este circuito simples foi encontrado numa Popular Electronics. O circuito pode usar LEDs e é alimentado pela tensão da lógica em análise (TTL).

Usando transistores e lâmpadas, este circuito simples foi encontrado numa Popular Electronics. O circuito pode usar LEDs e é alimentado pela tensão da lógica em análise (TTL).
