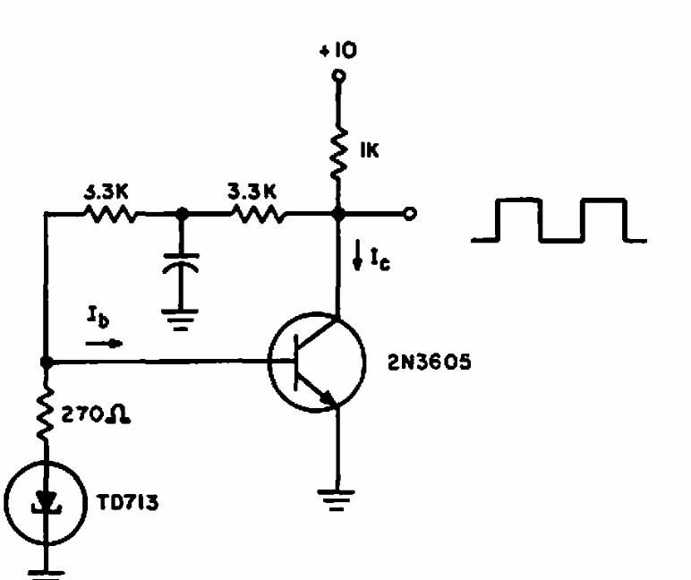
Este circuito foi encontrado numa documentação da General Electric de 1967. Os componentes são da época. O diodo túnel é difícil de obter atualmente.

 


| Clique na imagem para ampliar |

 

 

NO YOUTUBE


NOSSO PODCAST