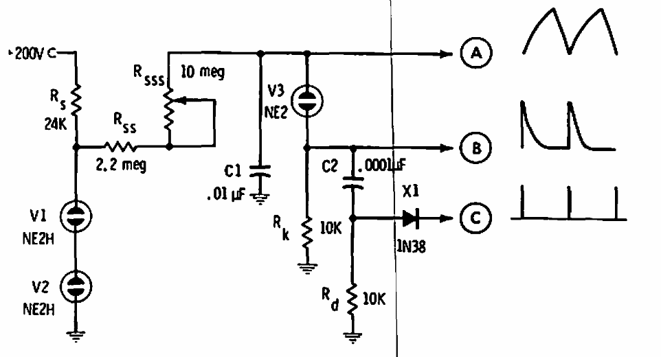
Encontrado numa documentação de 1969, este circuito consiste num multi-oscilador com lâmpadas neon. Observe a alta tensão de alimentação.

 


| Clique na imagem para ampliar |

 

 

NO YOUTUBE


NOSSO PODCAST