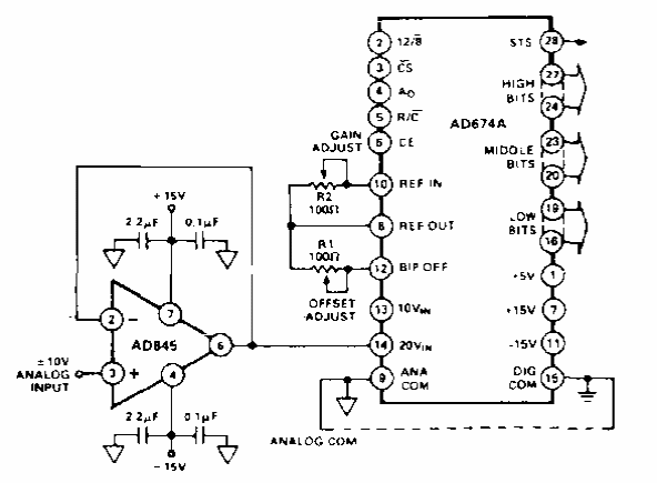
Encontrado em uma documentação da Analog Devices dos anos 90, este circuito se destina a interfaceamento com conversores analógicos para digitais.

Encontrado em uma documentação da Analog Devices dos anos 90, este circuito se destina a interfaceamento com conversores analógicos para digitais.
