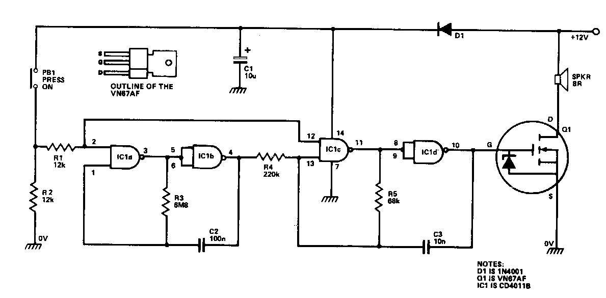
Encontrado numa revista inglesa dos anos 80, este circuito produz um forte tom modulado reproduzido num alto-falante. O MOSFET de potência pode ser praticamente de qualquer tipo.
Encontrado numa revista inglesa dos anos 80, este circuito produz um forte tom modulado reproduzido num alto-falante. O MOSFET de potência pode ser praticamente de qualquer tipo.