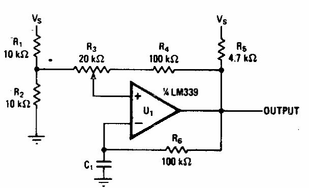
Para os valores de componentes deste circuito, a frequência pode ser ajustada entre 740 Hz e 2 700 Hz. A frequência depende de C1 de 10 nF. O circuito é de uma documentação americana dos anos 70.

Para os valores de componentes deste circuito, a frequência pode ser ajustada entre 740 Hz e 2 700 Hz. A frequência depende de C1 de 10 nF. O circuito é de uma documentação americana dos anos 70.
