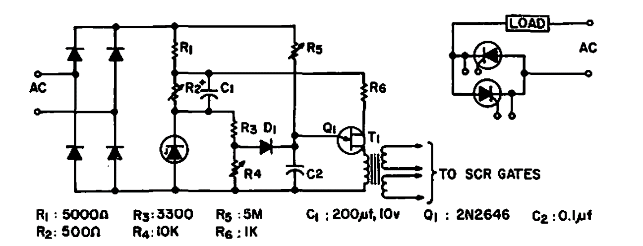
Este circuito para a linha de corrente alternada (linha AC) foi encontrado em documentação da General Electric de 1965. Não foram dadas informações sobre o transformador.
Este circuito para a linha de corrente alternada (linha AC) foi encontrado em documentação da General Electric de 1965. Não foram dadas informações sobre o transformador.