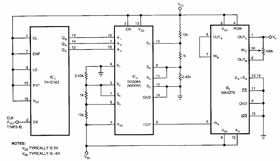
Este circuito gera um sinal senoidal com apenas -80 dB de THD. O circuito foi encontrado numa EDN dos anos 90. A frequência é de 25 kHz e os componentes usados são da época.

 


| Clique na imagem para ampliar |

 

 

NO YOUTUBE


NOSSO PODCAST