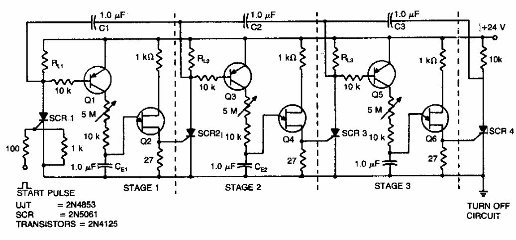
Este circuito com transistores unijunção foi encontrado numa documentação dos anos 80 Os tempos de disparo dos SCRs dependem dos capacitores e são ajustados nos potenciômetros de 5M (4M7).
Este circuito com transistores unijunção foi encontrado numa documentação dos anos 80 Os tempos de disparo dos SCRs dependem dos capacitores e são ajustados nos potenciômetros de 5M (4M7).