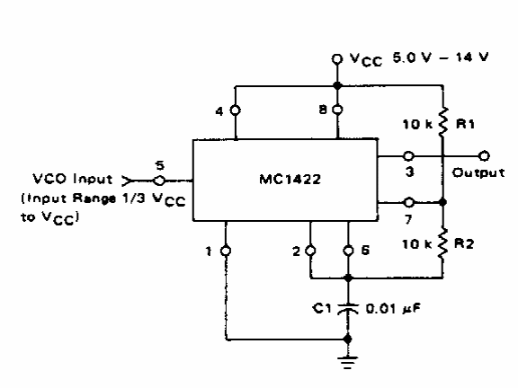
Este circuito é de um manual da Motorola gerando sinais até 200 kHz. A publicação é dos anos 70, o que dificulta a obtenção do componente básico.

Este circuito é de um manual da Motorola gerando sinais até 200 kHz. A publicação é dos anos 70, o que dificulta a obtenção do componente básico.
