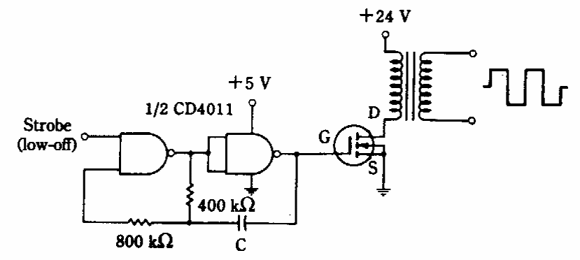
Este inversor de potência ou inversor de tensão gera uma alta tensão a partir de alimentações de 24V e 5V. Encontramos numa documentação americana antiga. O transformador e o MOSFET são de acordo com a potência desejada.
Este inversor de potência ou inversor de tensão gera uma alta tensão a partir de alimentações de 24V e 5V. Encontramos numa documentação americana antiga. O transformador e o MOSFET são de acordo com a potência desejada.