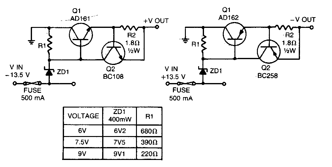
Na figura temos duas configurações t´picas de reguladores de tensão com proteção contra curto-circuito. Os circuitos são da década de 70, podendo ser elaborados com transistores equivalentes modernos. R1 determina as tensões juntamente com ZD1.
Na figura temos duas configurações t´picas de reguladores de tensão com proteção contra curto-circuito. Os circuitos são da década de 70, podendo ser elaborados com transistores equivalentes modernos. R1 determina as tensões juntamente com ZD1.