Pesquisar
Pesquisar
Principal
Aprendendo Online
Automação
Bancada de Reparação
Circuitos
Dicas
Livros Técnicos
Novidades
Projetos e Artigos
Revistas
mais ...
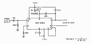
Demodulador de FM CIR22302S CB21752E (CIR21410)
Detalhes
Escrito por:
Newton C. Braga
Este circuito foi encontrado numa documentação de 1977. O circuito integrado usado é um PLL.
Últimas Notícias
De Assadeira a Placa de Circuito: Lasers Transformam Papel-Manteiga em Eletrônicos (NS011)
A Próxima Fronteira: O Salto Quântico da Inovação Brasileira que Quer "Hackear" as Leis da Física (NS010)
Além da Terra: A tecnologia da USP que monitorou o bem-estar dos astronautas em missão à Lua (NS009)
Última Edição
Buscador de Datasheets
N° de Componente
NO YOUTUBE
NOSSO PODCAST
Recentes
De Assadeira a Placa de Circuito: Lasers Transformam Papel-Manteiga em Eletrônicos (NS011)
Revista Mecatrônica Jovem - Edição 26 - Música
A Próxima Fronteira: O Salto Quântico da Inovação Brasileira que Quer "Hackear" as Leis da Física (NS010)
Relé ativado por som V2347S (V2885)
Banco de Circuitos
Milivoltímetro DC CIR15333S CB8213E (CIR18303)
Conversor senoidal para quadrado 555 CIR26286S CB26334E (CIR27295)
Estimulador de músculo CIR23717S CB23666E (CIR24153)
Game com lâmpada neon (CIR24898)
Casador de resistências CIR25894S CB25896E (CIR26855)