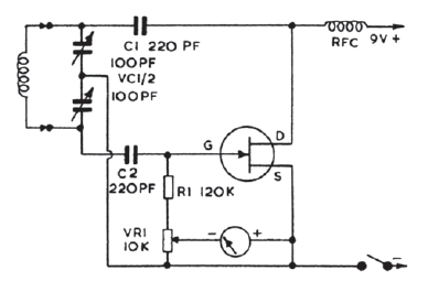
Esta versão com transistor de efeito de campo de um grid dip meter foi encontrada numa documentação antiga. O JFET pode ser qualquer um de uso geral e o instrumento deve ter de 50 a uA a 1 mA de fundo de escala.

Esta versão com transistor de efeito de campo de um grid dip meter foi encontrada numa documentação antiga. O JFET pode ser qualquer um de uso geral e o instrumento deve ter de 50 a uA a 1 mA de fundo de escala.
