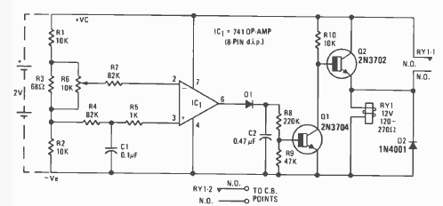
Indicado para aplicações em alarmes, este circuito é uma modificação do anterior. Encontramos na revista Radio Electronics de dezembro de 1976. O circuito é para carros com baterias de 12 V.

Indicado para aplicações em alarmes, este circuito é uma modificação do anterior. Encontramos na revista Radio Electronics de dezembro de 1976. O circuito é para carros com baterias de 12 V.
