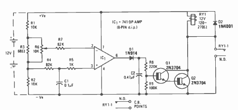
Indicado para aplicações em alarmes, este circuito foi encontrado na revista Radio Electronics de dezembro de 1976. O circuito é para aplicações em carros com 12 V.

Indicado para aplicações em alarmes, este circuito foi encontrado na revista Radio Electronics de dezembro de 1976. O circuito é para aplicações em carros com 12 V.
