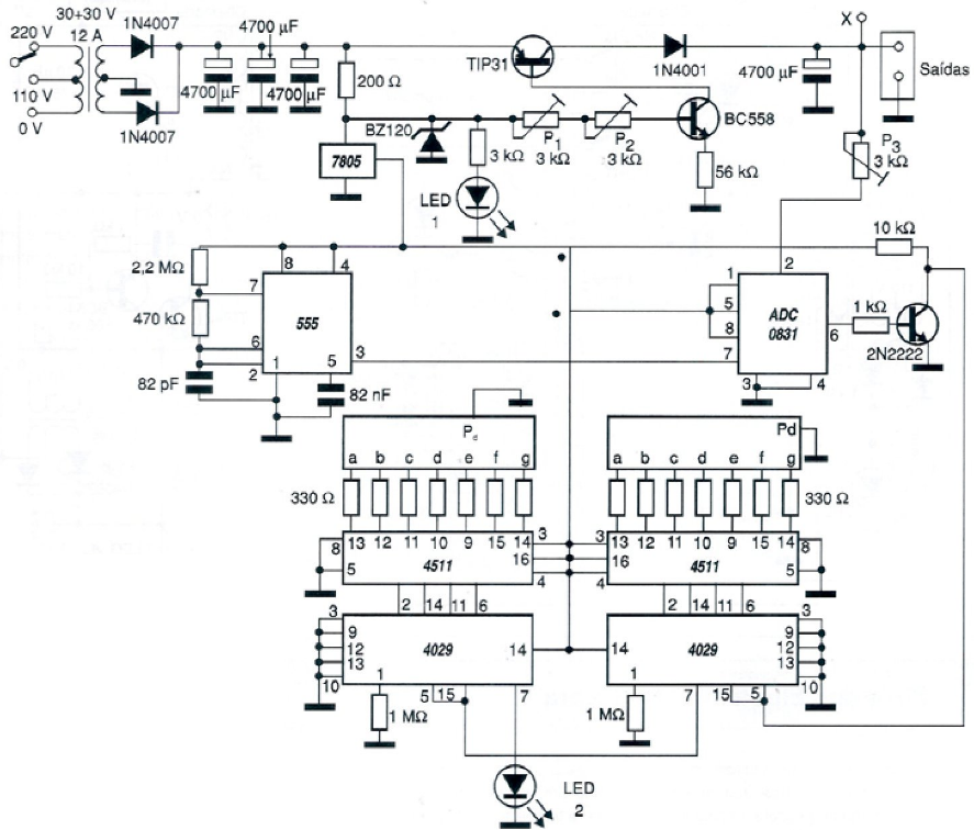
A fonte mostrada pode fornecer tensões de saída de 0 a 60 V, com uma corrente máxima que depende do transformador. No entanto, apesar do leitor indicar um transformador de 12 A. o transistor TIP31(C), usado na regulagem suporta uma corrente máxima de apenas 3 A, sendo essa portanto a corrente máxima recomendada. Para uma corrente um pouco maior pode ser usado um 2N3055 ou até dois deles ligados em paralelo. Além disso, utilizando a retificação de onda completa com 30 V, a tensão máxima de saída será de pouco mais de 40V e não como indicado originalmente no diagrama. O transistor deve ser dotado de um bom radiador de calor. Os displays são de 7 segmentos de catodo comum, e nos potenciômetros temos os ajustes da tensão de sairia e das escalas digitais. Elton Da Costa Rosado Santana do Paraiso, - MG publicado na revista Eletrônica Total 124 de 2007.
















