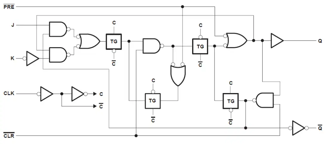
Os Flip-Flops Duplos J-K SN74HC112 da Texas Instruments contêm dois flip-flops J-K independentes, disparados por borda negativa. Um nível baixo nas entradas clear (/CLR) ou preset (/PRE) reseta ou reseta as saídas, independentemente dos níveis das outras entradas. Os dados nas entradas J e K que atendem aos requisitos de tempo de configuração são transferidos para as saídas na borda negativa do pulso de clock (CLK) quando /CLR e /PRE estão inativos (altos). O disparo do clock não está diretamente relacionado ao tempo de queda do pulso CLK e ocorre em um nível de tensão. Os dados de entrada J e K podem ser alterados sem afetar os níveis nas saídas após o intervalo de tempo de espera. Os Flip-Flops SN74HC112 da Texas Instruments são flip-flops versáteis que funcionam como flip-flops de alternância, conectando J e K em nível alto.
















