Este circuito é adaptado do meu livro Robótica, Mecatrônica e Inteligência Artificial - Robotics, Mechatronics and Artificial Intelligence (esgotado) publicado nos Estados Unidos. Ele pode ser usado como um shield de controle para motores de passo em projetos de mecatrônica ou robótica ou como um bloco de construção para projetos simples.
Os motores de passo podem ser controlados diretamente de um interruptor colocado na entrada de um decodificador. Como cada pulso é produzido quando o interruptor é fechado, o motor avançará um passo.
O principal problema com este tipo de circuito é que o interruptor deve ser anti-repique. Qualquer pico de tensão produzido quando o interruptor é fechado e aberto pode ser interpretado pelo decodificador como um pulso adicional.
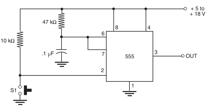
Portanto, ao fechar e abrir o comutador para produzir apenas um pulso, o circuito pode receber muitos pulsos e avançar o motor mais de um passo. (Veja outros projetos nesta seção para circuitos de debounce.) O bloco mostrado na Figura 1 é um gerador de passo que pode ser usado para produzir apenas um pulso quando um sensor ou um interruptor é momentaneamente pressionado.
A principal vantagem deste circuito é que a duração do pulso depende apenas de R2 e C1, e não do tempo em que o interruptor (ou sensor) é mantido. O circuito pode acionar blocos TTL e CMOS e ser alimentado por tensões na faixa entre 5 e 15 V.
















