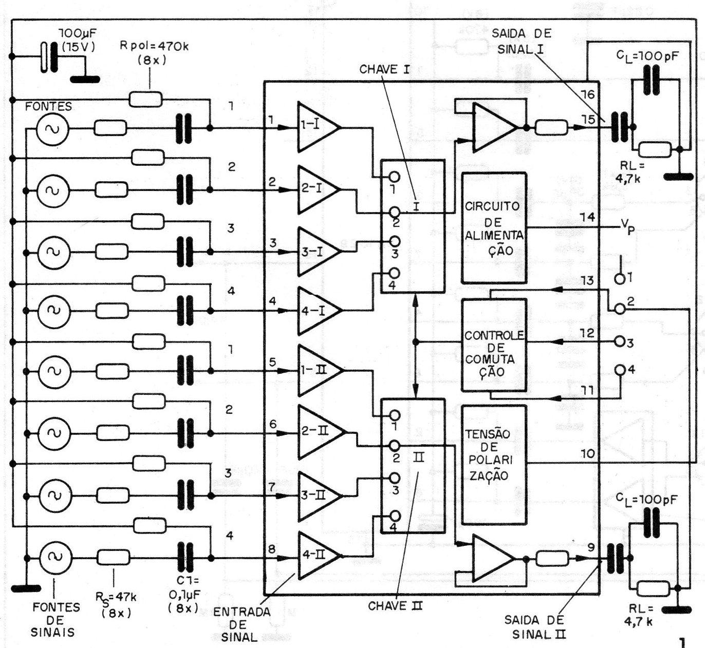
O circuito integrado TDA1029 da Philips Components, consiste num duplo amplificador operacional (conectados como conversores de impedância) cada qual tendo 4 entradas mutuamente comutáveis e protegidas com diodos de clipagem. As correntes de entradas são independentes da posição da chave e as saídas são protegidas contra curto-circuitos.
Obs. O artigo é de 1990. Verifique a disponibilidade do circuito integrado antes de partir para sua utilização.
Entre as aplicações recomendadas para este componente, citamos a comutação de entradas de sinais em sistemas de som e auto-rádios, ambos estéreo.
Neste artigo focalizamos as principais características deste integrado e fornecemos alguns circuitos, exemplos de aplicação.
O integrado em questão é utilizado em equipamentos comerciais de diversos tipos, sendo por este motivo esta informação muito útil na manutenção de tais equipamentos.
REFERÊNCIA IMEDIATA
Faixa de tensões de alimentação (Vp): 6 à 23 Volts
Faixa de Temperaturas de Operações: -30 à + 80°C
Tensão de alimentação (pino 14): 20 V (tip)
Ganho de Tensão: 1 (tip)
Distorção Harmônica total: 0,01 °/o (tip)
Relação sinal ruído: 120 dB (tip)
Na figura 1, temos um diagrama de blocos deste integrado, observando-se as impedâncias de entradas, resistores de polarização e capacitores de acoplamento com valores típicos, além das resistências de carga e capacitâncias de cargas típicas.
Os valores limite de acordo com o Sistema de Máximos Absolutos (IEC 134) são os seguintes:
Tensão de alimentação (pino 14): 23 V (max)
Tensão de entrada (pinos 1 a 8): Vp max
Tensão de controle de comutação (pinos 11, 12 e 13): 0 à 23V
Corrente de entrada: 20 mA (max)
Corrente de controle de comutação: 50 mA (max)
Dissipação total: 800 mW (max)
Faixa de temperaturas ambiente de operação: -30 à 80°C
CARACTERÍSTICAS
(para Vp=2oV, Tamb = 20°C a não ser quando especificado em contrário)
Consumo de corrente (lg = l15 = 0) sem carga: 2 a 5 mA
Faixa de Tensão de alimentação: 6 à 23 V
Entradas de sinal:
Tensão Offset de entrada das entradas ligadas (Rs menor que 1k): tip 2 mV
Corrente offset de entrada de um canal ligado em relação a um canal não ligado: 20 nA (tip)
Corrente de polarização de entrada: 250 nA (tip)
Capacitância entre entradas adjacentes: 0,5 pF (tip)
Faixa de tensões DC de entrada: 3 à 19 V
Relação de rejeição de tensão de alimentação: 100 uV (tip)
Amplificador:
Ganho de Uma entrada ligada: 1 (tip)
Ganho de corrente de uma entrada ligada: 105 (tip)
Saídas de Sinal:
Resistência de saída (pinos 9 e 15): 400 ohms (tip)
Capacidade de corrente de saída para Vp entre 6 e 23V: 5 mA (tip)
Limite de frequência para a saída de tensão: 1,3 MHz (tip)
Tensão de polarização: 11 V (tip)
Resistência de Saída: 8,2 k ohms (tip)
Na tabela a seguir damos os níveis lógicos de controle e as conexões correspondentes das saídas:
Na figura 2, temos um circuito de aplicação, mostrando a proteção de entrada e o sistema de indicação.
Todas as entradas não usadas devem ser conectadas a uma tensão DC de polarização, que deve ter valor dentro da faixa de tensões de alimentação.
Em outras palavras, as entradas não usadas podem ser conectadas diretamente do pino 10 do integrado.
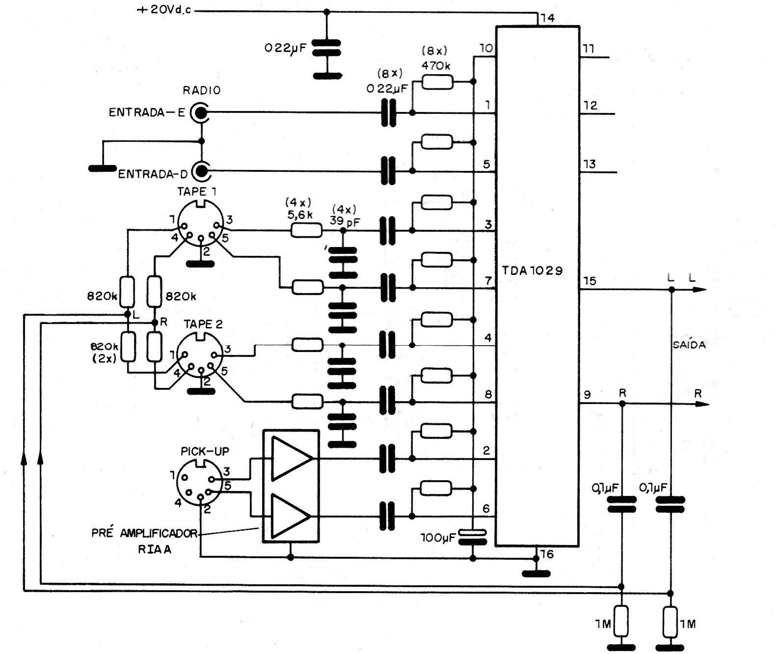
Na figura 3 temos um circuito de aplicação em que o TDA1029 é usado na comutação de entradas de um sistema de som estéreo.
Observe que os pinos 11,12 e 13 devem ser conectados a um ponto de 0 V ou nível lógico LOW.
Para a entrada de pick-up deve ser previsto pré-amplificador, enquanto que as demais entradas são levadas diretamente ao circuito integrado.
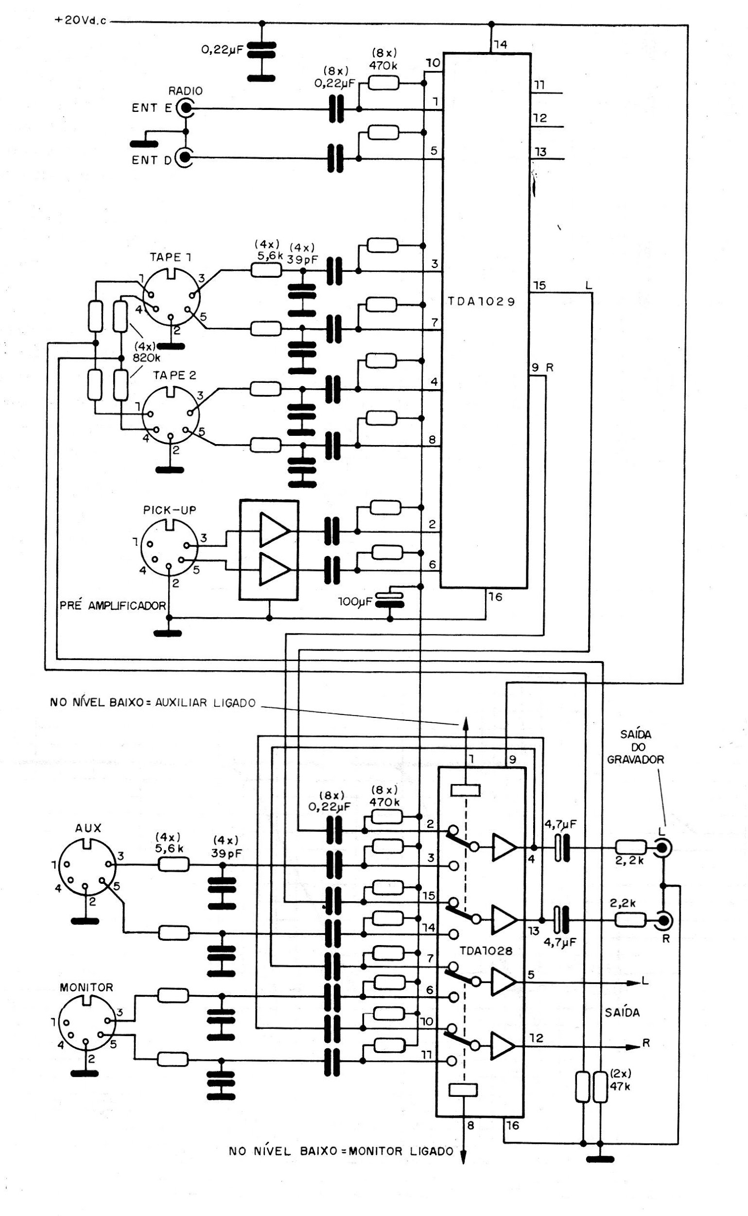
Observamos que como o circuito opera com sinais de áudio de baixa intensidade e alta impedância a captação de roncos deve ser evitada com a utilização de fios blindados e um layout bem planejado para as conexões que transportam os sinais. Outra aplicação é mostrada na figura 4.
Nesta aplicação temos um sistema completo de comutação de entradas para um sistema de som contendo, toca-fitas, rádio, toca-discos e mais ainda entradas de monitor e auxiliar.
O circuito utiliza dois integrados e pode comutar 5 entradas estereofônicas jogando-as na saída em função dos níveis lógicos das entradas de controle.
Observe que para esta aplicação a entrada de pick-up também exige o emprego de um pré-amplificador de acordo com as características da cápsula usada.
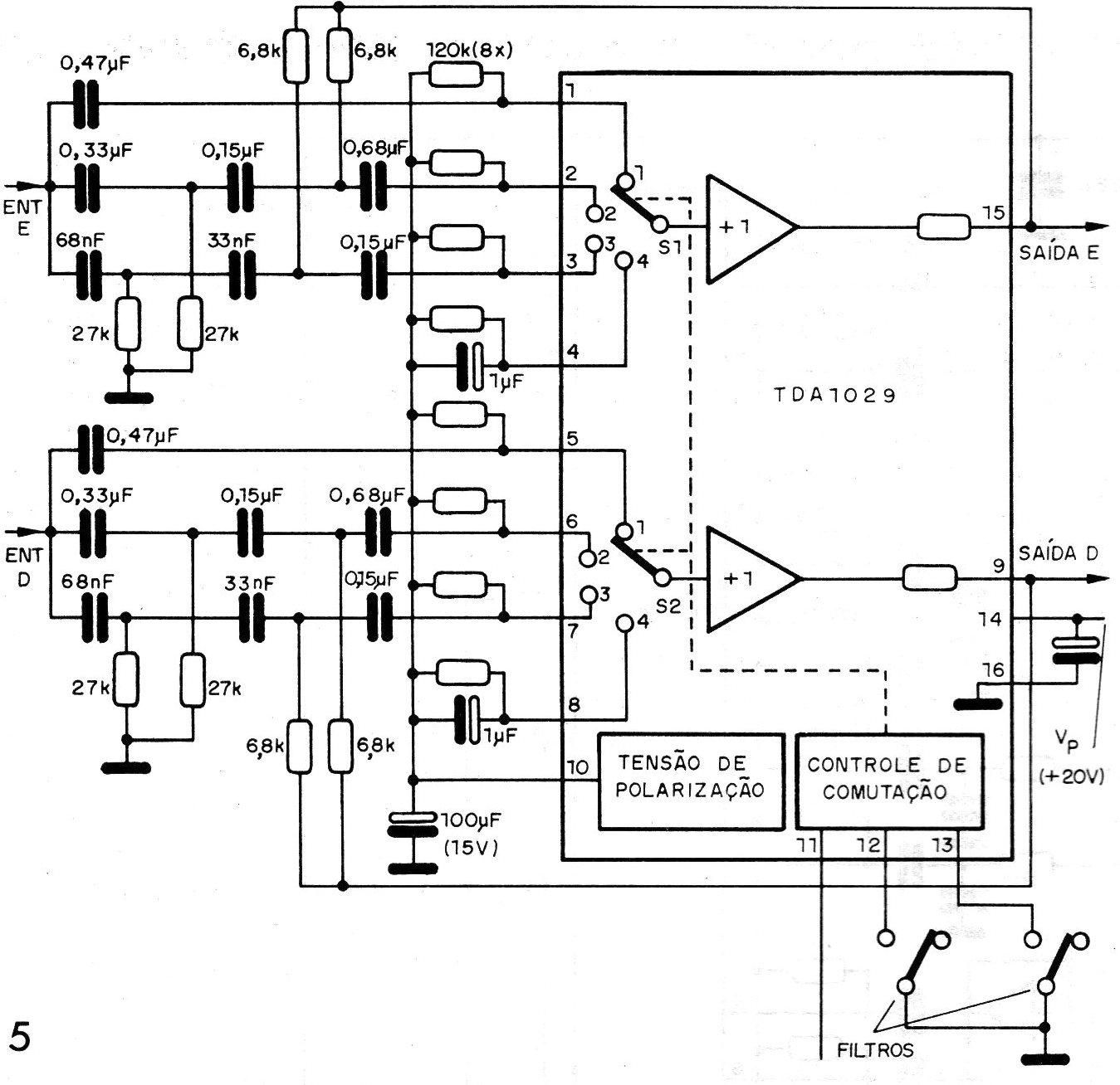
Na figura 5, temos uma interessante aplicação em que o TDA1029 é utilizado como filtro ativo passa-altas de terceira origem do tipo Butterworth.
Os valores dos componentes e respostas foram selecionados pelo método proposto por Fjallbrant. Este circuito de 4 funções pode selecionar mute, rumble filter, subsonic filter e resposta linear.
No gráfico da figura 6 temos as características das diferentes respostas obtidas.






















