Um espetacular efeito duplo de luz para seu sistema de som. Duas lâmpadas que alteram sua luminosidade simultaneamente ou alternadamente com o som de seu sistema. Ao contrário das rítmicas comuns, as lâmpadas não apagam totalmente nos instantes de silêncio, mas brilham com luz reduzida, não deixando você no escuro para trocar os discos ou fitas. Ideal para sua sala de som, para animar festas e bailes ou, ainda, como decoração diferente de vitrines e stands de exposições.
Obs. Apesar de ser de 1982, este artigo usa componentes comuns em nossos dias. Devemos observar apenas que ele só funciona com lâmpadas incandescentes.
Deseja animar suas festas ou mesmo sua sala de som com um efeito especial de luz? Deseja um sistema diferente de luzes rítmicas que não apagam totalmente nos momentos de silêncio, não deixando você no escuro na hora de fazer a troca do disco ou da fita?
Se a resposta para as duas perguntas é sim, por que não partir para este simples e interessante projeto de um sistema "duo-rítmico" de luzes para ser ligado à saída de qualquer aparelho de som, até mesmo seu radinho de pilhas?
O sistema de luzes rítmicas que descrevemos apresenta características interessantes, não comuns aos que normalmente são vistos nas publicações especializadas ou montados em lojas.
O nosso sistema opera com ciclos alternados da alimentação em duas lâmpadas, simultaneamente, de modo a fazer não a sua ligação em cada pulso de som, mas sim sua comutação série/paralelo em cada comutação.
O que temos como resultado desta comutação é então uma variação de luminosidade da lâmpada nos aumentos de volume do som, com piscadas que acompanham a música.
Na ausência de som, entretanto, as luzes não apagam, mas simplesmente reduzem seu brilho à metade, possibilitando assim que se faça a troca dos discos ou fitas.
Utilizando dois SCRs de 4 A o sistema pode controlar até 880 W de lâmpadas na rede de 110 V ou o dobro na rede de 220 V e precisa de uma potência mínima para ser excitado.
De fato, como apenas alguns miIiwatts são necessários ao disparo dos SCRs até mesmo um radinho de pilhas pode operar o sistema com facilidade.
A ligação dos aparelhos de som ao sistema é ultra simples, já que a saída é feita diretamente dos alto-falantes.
Em suma, pelo seu baixo custo, reduzido número de componentes e simplicidade de montagem e instalação, este sistema pode ser montado até mesmo pelos leitores que nenhuma experiência tenham no assunto.
COMO FUNCIONA
A maioria dos sistemas de luzes rítmicas utiliza como elementos básicos de seus circuitos os SCRs (diodos controlados de silício) ou Triacs que são comutadores de estado sólido de grande sensibilidade e grande capacidade de controle de corrente.
Estes componentes, a partir de uma pequena parte da potência de um sistema de som, podem disparar controlando grande quantidade de 1âmpadas.
Os modos como os SCRs ou Triacs são ligados aos sistemas podem dar origem a diversos tipos de efeitos rítmicos. Podemos ter os sistemas simples em que se faz o disparo direto de um SCR com o controle de apenas uma certa quantidade de lâmpadas, conforme mostra a figura 1.
Podemos ter o sistema multicanal em que se faz a separação dos sinais de disparo conforme a sua frequência de modo que cada SCR e, portanto, cada conjunto de lâmpadas pisque apenas com determinado tipo de som.
Umas piscarão com os graves, outras com os médios e finalmente as terceiras com os agudos, conforme mostra a figura 2.
Todos os sistemas têm suas vantagens e desvantagens. Os que usam SCRs, por exemplo, controlam normalmente apenas metade dos semiciclos com um brilho reduzido das lâmpadas; os que usam Triacs precisam de maior potência de excitação, etc.
O nosso sistema procura reunir o que há de melhor em todos os tipos obtendo-se uma configuração diferente que sem dúvida atenderá aos desejos dos leitores.
Temos então o circuito básico mostrado na figura 3 em que dois SCRs são ligados em oposição, tendo cada qual um conjunto de lâmpadas em paralelo.
Para que o circuito funcione convenientemente é preciso que os dois conjuntos de lâmpadas tenham a mesma potência.
Esta potência, evidentemente deve poder ser controlada pelos SCRs.
Na condição dos dois SCRs estarem desligados, ou seja, sem sinal de disparo, a corrente de alimentação só pode circular pelas lâmpadas que estão em série.
Como os dois conjuntos de lâmpadas representam a mesma carga, a tensão da rede se divide e as lâmpadas acendem com aproximadamente metade de sua potência máxima (figura 4).
Se apenas um dos SCRs receber um sinal de disparo, ele "ligará" conduzindo a corrente intensamente, mas apenas num sentido, pois como se sabe, os SCRs se comportam como diodos.
O resultado é que teremos o estabelecimento de um curto-circuito para apenas metade dos semiciclos da alimentação no conjunto 1 de lâmpadas, que está em paralelo com o SCR disparado.
Isso significa que este conjunto 1 de lâmpadas passa a receber apenas aproximadamente metade dos semiciclos conduzidos pelas outras lâmpadas (conjunto 2), o que significa um brilho máximo da ordem de 25%.
O outro conjunto (2), por outro lado, passa a receber metade dos semiciclos conduzidos totalmente pelo SCR disparado, mais a metade dos semiciclos não conduzidos pelo SCR e que passam pela lâmpada que representam 25% da potência máxima.
O resultado é um brilho máximo para o conjunto 2 de lâmpadas da ordem de 75%, conforme mostra a figura 5.
Se os dois SCRs forem disparados ao mesmo tempo, como eles se encontram em oposição, cada um só pode conduzir os semiciclos correspondentes da alimentação.
Assim, conforme mostra a figura 6, quando o SCR1 conduz, o conjunto 1 de lâmpadas é colocado em curto e o conjunto 2 recebe aproximadamente 50% de sua potência máxima.
Quando o SCR2 conduz, o conjunto 2 é colocado em curto, e o conjunto 1 recebe aproximadamente 50% de sua potência máxima.
Veja então que neste sistema, as lâmpadas podem ter seu brilho oscilando entre 25% e 75% do máximo.
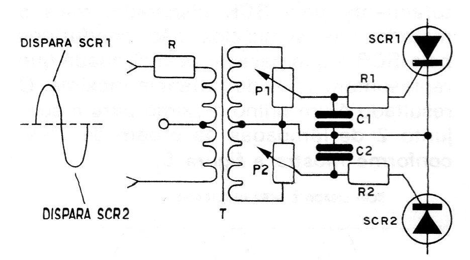
O disparo do circuito é feito com a ajuda de um transformador conforme mostra o circuito da figura 7.
Neste circuito nos pulsos positivos do sinal de áudio temos a indução de sinal que dispara o SCR1, enquanto que nos pulsos negativos temos a indução de sinal que dispara o SCR2.
Os potenciômetros servem para controlar a sensibilidade de cada SCR enquanto que os dois capacitores ligados em para!elo com os potenciômetros e o transformador permitem obter um comportamento seletivo para o sistema.
Assim, podemos ter capacitores de valores diferentes de modo que um dos SCRs tenha um disparo em frequência diferente do outro.
Isso significa que, durante a execução de uma música, uma lâmpada passe a responder mais aos médios ou graves enquanto que a outra responderá mais aos agudos.
O sistema, conforme mostra a figura 8, pode ser disparado pela saída de um canal de um amplificador com um resistor em série que depende da potência ou pelos sinais dos dois canais conforme mostra a figura, caso em que teremos um comportamento interessante: o primeiro SCR responderá aos picos positivos do sinal de um canal e negativos do outro, enquanto que o segundo SCR terá um comportamento inverso.
Com os SCRs usados, podemos ter o controle de até 880 W de lâmpadas em 220 V ou 440 W em 110 V para cada conjunto.
Todo o material usado na montagem é comum, podendo ser encontrado com facilidade nas casas especializadas ou mesmo aproveitado de velhos aparelhos.
Começamos com a caixa. Esta deve possuir furação para os dois potenciômetros, para a chave S1, para a saída das lâmpadas (tomadas comuns), para o cabo de alimentação e finalmente para os fios de conexão à saída do amplificador.
Os componentes eletrônicos são os seguintes:
Os SCRs devem ser do tipo MCR106, TIC106, C106 ou IR106, conforme a tensão de sua rede, ou seja, para 200 V se sua rede for de 110 V ou para 400 V se sua rede for de 220 V. Não use equivalentes!
Se a potência de cada conjunto de lâmpadas for superior a 60 W você deve usar um irradiador de calor em cada SCR, que nada mais é do que uma chapinha de metal dobrada em "U" conforme mostra a figura 9.
Os diodos são do tipo 1N4002 ou qualquer equivalente retificador de silício, inclusive os de menores correntes como os seguintes: 1N4004, BY127, 1N4148, 1N914, etc.
Para o transformador foi usado um cujo primário apresentava duas tensões 110 e 220 V, com ligação do tipo derivação, ou seja, um enrolamento primário de 3 fios (vermelho, marrom e preto).
O secundário foi do tipo 6+6 V com corrente de 100 mA. O leitor pode usar também transformadores cujos secundários sejam de 9+9 ou mesmo 12+12 V com qualquer corrente entre 100 e 500 mA.
Os resistores de 10 k são de 1/8 W enquanto que os resistores de entrada têm valores e potências que dependem do seu amplificador.
A tabela de potências e resistências para este caso é a seguinte:
Os valores são para a potência de cada canal.
Os potenciômetros são de 10 k ou 22 k simples, lineares ou Iog, podendo um deles ter o interruptor geral incorporado.
Para os capacitores temos as seguintes possibilidades conforme a faixa de sons que deve excitar o circuito:
2,2 nF à 10 nF - agudos
12 nF à 47 nF - médios
56 nF à 220 nF - graves
Devem ser usados capacitores cerâmicos ou de poliéster metalizado com tensões de trabalho de pelo menos 50 V nesta função.
Os demais componentes são: a ponte de terminais ou placa de circuito impresso para a montagem; as tomadas de ligação das lâmpadas e seus soquetes; as próprias lâmpadas que podem ser do tipo colorido de 25 ou 40 W, associadas de diversas maneiras; fios, solda, etc.
MONTAGEM
O circuito completo do sistema é mostrado na figura 10.
Os valores dos componentes neste circuito são válidos tanto para o caso da rede de 110 V como da rede de 220 V.
A versão montada em ponte de terminais, recomendada aos que possuem menos recursos e experiência, é mostrada na figura 11.
Nesta versão deve-se tomar cuidado para que os terminais dos componentes não encostem uns nos outros.
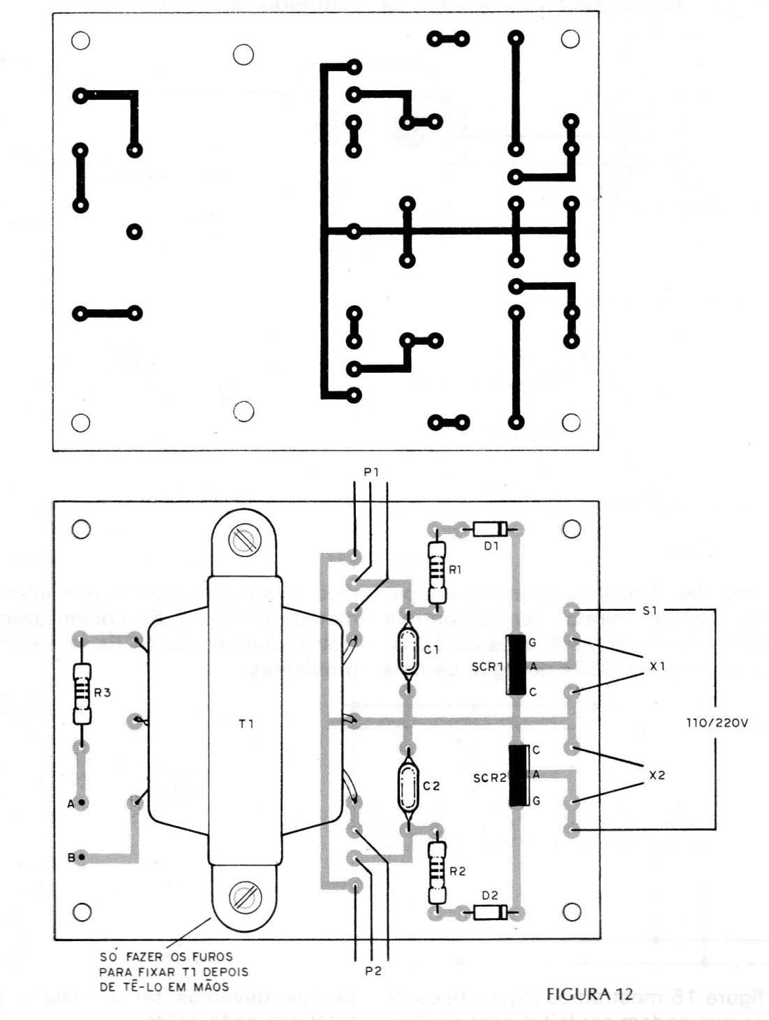
Para os que possuam mais experiência em montagens e também mais recursos em sua bancada recomendamos a versão de placa de circuito impresso que é mostrada na figura 12.
Alguns cuidados devem ser tomados no trato dos componentes Sugerimos então que a seguinte sequência seja seguida na montagem.
a) Prepare em primeiro lugar a caixa verificando se todos os componentes encaixam nos seus locais com folga.
b) Aqueça bem o soldador estanhando sua ponta. Para estanhar basta molhá-la com um pouco de solda. Se sua montagem for em ponte prepare a ponte cortando-a no tamanho exigido para o circuito. Se sua montagem for em placa de circuito impresso, prepare-a para receber os componentes.
c) Solde em primeiro lugar os SCRs observando bem sua posição, pois se houver inversão o aparelho não só pode deixar de funcionar como estes componentes podem queimar. A soldagem dos terminais dos SCRs deve ser feita rapidamente para que o calor não os afete.
d) Solde os dois diodos observando também sua posição. Dobre e corte seus terminais de acordo com a sua posição. Veja que a posição destes componentes é dada em função do anel marcado.
e) Solde os resistores, observando seus valores que são dados pelos anéis coloridos. Dobre e corte os terminais de acordo com sua posição.
f) Para soldar os capacitores você não precisa observar sua polaridade, mas deve ser rápido, pois estes componentes são bastante sensíveis ao calor. No caso dos capacitores de poliéster metalizado, os valores são dados pelas faixas coloridas.
g) Na montagem em ponte, o transformador fica fora, devendo ser fixado na caixa com a ajuda de parafusos. Ao soldar os terminais deste componente tenha cuidado com sua identificação segundo as cores dadas no desenho.
h) Faça a ligação do potenciômetro, do cabo de alimentação e dos terminais de entrada. Faça também a ligação das tomadas. Nos casos em que for necessário use fio flexível de capa plástica e não muito longos.
Terminadas as conexões e conferidas as ligações, fixe tudo na caixa observando para que não haja contactos entre os terminais dos componentes.
Se vai alimentar lâmpadas de mais de 60 W fixe os dissipadores de calor nos SCRs usando parafusos com porcas para isso.
PROVA E USO
Ligue em cada saída do aparelho uma lâmpada de 40 W ou de 25 W. E importante que as duas lâmpadas sejam iguais, ou seja, ou as duas de 40 ou as duas de 25 W.
A seguir, faça a conexão do cabo de entrada do aparelho na saída do alto-falante ou caixas acústicas de seu aparelho de som, conforme mostra a figura 13.
Conecte a tomada de alimentação do aparelho e acione o interruptor geral.
Ligando então o aparelho de som a médio volume, vá girando os potenciômetros até obter as piscadas das lâmpadas.
O ajuste dos potenciômetros deve ser feito para que as piscadas ocorram com a mesma intensidade nas duas lâmpadas.
Para um funcionamento "estéreo" a ligação pode ser feita conforme mostra a figura 14, caso em que dois resistores redutores devem ser usados.
Se uma das lâmpadas permanecer apagada ou acender “direto" sem o controle pelo som, devem ser verificados os SCRs.
Para verificar os SCRs desligue os dois diodos. As lâmpadas devem acender com metade do brilho. Se houver desequilíbrio é sinal que um dos SCRs se encontra com problemas.
Na figura 15 mostramos alguns tipos de ligações que podem ser feitas para conjuntos de lâmpadas, sempre levando em conta que devemos ter a mesma potência total em cada saída.
Lista de Material
SCR1, SCR2, - MCR106, IR106 ou C106 - diodos controlados de silício
D1, D2, - IN4002 ou equivalentes - diodos de silício
R1, R2 – 10 k x 1/8 W- resistores (marrom, preto, laranja)
R3, R4 - resistores de 1 ou 2 W (conforme a potência do amplificador) - ver texto
C1, C2 - capacitores de poliéster (ver texto)
P1, P2 - 10 k - potenciômetros
T1 - transformador com primário de 110 e 220 V e secundário de 6 + 6 V e 100 mA ou mais
X1, X2 - lâmpadas de 110 ou 220 V, coloridas
S1 - interruptor simples
Diversos: ponte de terminais ou placa de circuito impresso, caixa de montagem, cabo de alimentação, fios, solda, knobs para os potenciômetros, etc.































