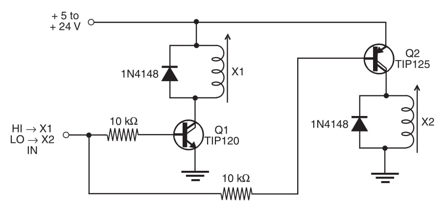
Este circuito faz parte do meu livro Robótica, Mecatrônica e Inteligência Artificial (esgotado) publicado nos Estados Unidos. Pode ser usado para controlar dois solenoides em um projeto de mecatrônica ou robótica.
A mesma configuração descrita nos circuitos anteriores nesta seção, mas usando transistores NPN Darlington, é mostrada na Figura 1. Essa configuração precisa de menos corrente para vários amperes, dependendo do transistor. Em particular, recomendamos essa configuração para acionar solenoides de alta corrente a partir de saídas TTL ou CMOS.
Nota: Configurações equivalentes usando um transistor bipolar PNP e um transistor PNP Darlington podem ser facilmente implementadas, com base nos circuitos mostrados em outros projetos nesta seção. Configurações usando dois transistores também podem ser derivadas de circuitos mostrados nesta seção.
















