Temos focalizado em nossas últimas edições usos para o osciloscópio na oficina de eletrônica, além de darmos explicações importantes de seu funcionamento que permitem o máximo aproveitamento de suas potencialidades. Atendendo a pedidos de leitores resolvemos agora analisar um equipamento deste tipo de fabricação nacional e que seja acessível aos técnicos, com recursos que permitam o máximo de eficiência nos trabalhos de reparação, calibração e análise de circuitos eletrônicos. Falaremos do osciloscópio OS-22 da WGB Eletrônica de Precisão Ltda.
Nota: Artigo publicado na Revista Saber Eletrônica 184 de 1988.
A WGB Eletrônica de precisão Ltda. considera este osciloscópio Universal pelas suas características que atendem a todo o tipo de profissional da eletrônica. Operando na faixa de CC a 20MHz, com duplo traço, este instrumento tem as seguintes características gerais:
• Duplo traço
• Tela de 8 x 10cm com retícula interna
• Opera com CC a 20MHz
• Possui trigger até 30MHz
• Possui linha de retardo
Os dois amplificadores de saída vertical operam na faixa que vai de CC a 20MHz com uma sensibilidade de 5mV/cm. Comutando-se o canal II para a deflexão horizontal, obtém-se a operação completa X-Y, com sensibilidades iguais tanto em X como em Y.
Este recurso é importante para o levantamento de curvas características de componentes, assim como para a observação de fenômenos interdependentes, além de possibilitar a utilização de circuitos externos de varredura sincronizados pelos próprios aparelhos que se deseja analisar.
Em função disso, o técnico pode usar este osciloscópio OS-22 tanto para a observação de uma única forma de onda, no trabalho de reparação normal, pode usá-lo para observação simultânea de duas formas de onda, o que em especial é útil na análise de distorções de amplificadores, análise de circuitos digitais, como também na observação de fenômenos interdependentes com a comutação que permite a operação X-Y.
Uma das necessidades de um bom osciloscópio é um trigger eficiente e estável. O OS-22 utiliza um circuito de alta confiabilidade e estabilidade que opera mesmo com sinais de pequena amplitude até 30MHz.
A fonte de alimentação do aparelho é estabilizada com a finalidade de se evitar qualquer influência de eventuais variações da tensão da rede na sua operação.
Para o técnico reparador das oficinas de TV, a existência de um trigger é de extrema importância para observação de formas de ondas nas diversas etapas sincronizadas pelo próprio televisor em teste.
A linha de retardo é um recurso importante na visualização de pulsos de curta duração, pois permite que se observe o trecho de subida.
Este osciloscópio também possui uma entrada de eixo-Z que permite a modulação do feixe, para aplicações especiais.
CARACTERÍSTICAS TÉCNICAS
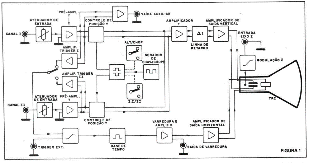
Na figura 1 temos um diagrama em blocos que permite a análise das diversas etapas que possui este osciloscópio e o modo como são interligadas.
Em função de seus recursos, temos diversas modalidades de operação.
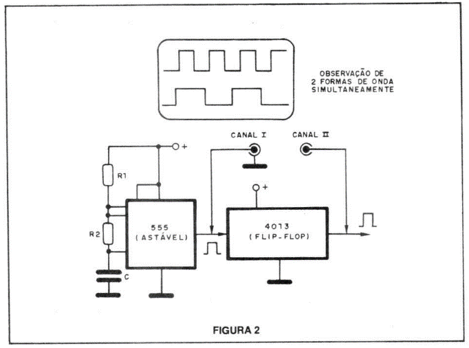
Na modalidade de duplo traço, dois sinais diferindo em fase, frequência e amplitude podem ser apresentados um após outro (modalidade alternado), ou através da comutação múltipla dos canais dentro de um período de varredura (modalidade "chop"). (figura 2)
Na operação X -Y, a entrada X se processa pelo canal II, o que significa que a impedância de entrada e a sensibilidade são as mesmas tanto para a deflexão horizontal (X) como para a deflexão vertical (Y). A troca de modalidades é facilitada pela utilização de um único botão de comando.
Na deflexão vertical o OS-22 emprega dois pré-amplificadores com transistores de efeito de campo (FET) com entradas protegidas por diodos. Estes pré-amplificadores são comutados eletronicamente, conectados ou um deles apenas, ou os dois alternadamente, ao amplificador de saída vertical (Y). O circuito de comutação opera com portas lógicas de diodos controladas por multivibradores biestáveis. O controle para a modalidade "alternado" é feito por pulsos que vem do gerador de varredura, e para a modalidade "chop" por um sinal de 120kHz.
Um único circuito integrado contém o chop e o multivibrador. Os estágios pré-amplificadores de entrada utilizam circuitos integrados monolíticos. O atenuador de entrada, compensado em frequência, tem 12 passos de atenuação, sendo calibrado em V/cm.
Para se obter um trigger de alta confiabilidade em frequências altas, a largura de faixa dos pré-amplificadores é de 40MHz. O valor de 20MHz especificado é referido aos pontos de 3dB (70%) para uma amplitude vertical de 60mm.
O OS-22, como recurso de grande importância, tem uma saída auxiliar desacoplada que fornece aproximadamente 50mV por divisão para sinais fornecidos ao canal I. Esta saída pode ser utilizada para a monitoração dos sinais através de outros instrumentos externos como por exemplo um frequencímetro.
Uma nova técnica de trigger é utilizada na base de tempo do OS-22. Utiliza-se um circuito integrado comparador de tensão, cuja saída TTL é conectada diretamente à lógica de controle do gerador de varredura, o que dispensa qualquer ajuste de estabilidade. A atuação muito rápida do circuito permite que o trigger seja disparado até com sinais de amplitude muito pequena, além do que temos um trigger perfeito mesmo em frequências superiores a 30MHz. O trigger pode ser controlado a partir do canal I ou II, assim como externamente. Também pode-se selecionar o nível e inclinação (subida ou descida) do sinal.
Quando o controle de nível é levado à posição AUTO (Trigger Automático), aparece na tela um eixo de tempo (t), mesmo na ausência de sinal. O gerador de varredura passa então a oscilar independentemente, de acordo com o tempo de varredura selecionado. O OS-22 possui também uma saída auxiliar do sinal de varredura "dente de serra".
Na página seguinte damos as Especificações Técnicas do OS-22.


















