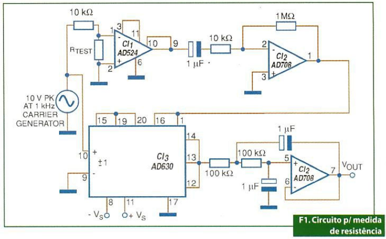
A medida de resistências muito baixas oferece um bom desafio para a maioria dos desenvolvedores de instrumentos eletrônicos. Uma solução apresentada pela Analog Devices (www.analog.com) em seu Application Note AN-306 consiste em usar um esquema de detecção sincronizada para medir resistências muito baixas. O circuito para essa finalidade é mostrado na figura 1.
Nota: Artigo da revista Saber Eletrônica 435 de abril de 2009.
Nos circuitos comuns são injetadas correntes intensas nos pontos sob teste. O que esse circuito faz é demodular sincronizadamente a queda de tensão sobre o sistema em teste e, com isso, pode- se trabalhar com correntes extremamente baixas na medida de resistências. Nele, um gerador de 1 kHz com 10 V de pico de amplitude injeta uma corrente de referência de 1 mA no resistor desconhecido, que está em teste (Rtest).
O amplificador de instrumentação IC1 e o amplificador de precisão IC2a amplificam a tensão sobre Rtest com um ganho de 100 000 vezes. O detector sincronizado IC3 demodula então essa tensão, e o amplificador IC2b funciona como um filtro passa-baixas para a tensão demodulada.
A filtragem em baixas frequências vai atenuar todas as perturbações que estejam relacionadas com o sinal como ruídos, desvios e offsets, mas deixará passar a tensão proporcional à resistência desconhecida.

Nesse circuito, com os componentes usados temos uma relação entre a tensão de saída e a resistência desconhecida de 15,7 Mohms/V. Uma fonte simétrica para a alimentação do circuito é sugerida na figura 2.
















