Este aparelhinho foi elaborado tendo por base o artigo intitulado "Montando e Aprendendo", de autoria de Newton C. Braga, publicado na revista n9 146 — dezembro de 1984.
Roberto Moura Torres e Antonio Villegas Della Corte
Nota: Artigo publicado na revista Saber Eletrônica de maio de 1985.
O CAPACIMETRO
Geralmente, possuímos na "sucata" inúmeros componentes que, com o passar dos dias ou por serem aproveitados de outros aparelhos, perdem os números gravados pelos fabricantes. Os capacitores são mais difíceis de selecionar e, por esse motivo, muitas vezes deixamos de usá-los por não podermos adivinhar qual a sua capacitância
O nosso capacímetro está baseado no fato de que os capacitores, quando funcionam num circuito de corrente alternada, apresentam uma determinada "resistência" (Na verdade o melhor termo é "reatância"). Como a resistência de um capacitor à corrente alternada é proporcional à sua capacitância, comparando essas resistências estaremos comparando as capacitâncias. Para a comparação, usamos um capacitor "conhecido" e o capacitor que possuímos na sucata, cuja capacitância não sabemos.
FONTE DE CORRENTE ALTERNADA
Como o capacímetro funciona com pilhas, e estas fornecem corrente contínua, teremos de criar uma fonte que forneça corrente alternada.
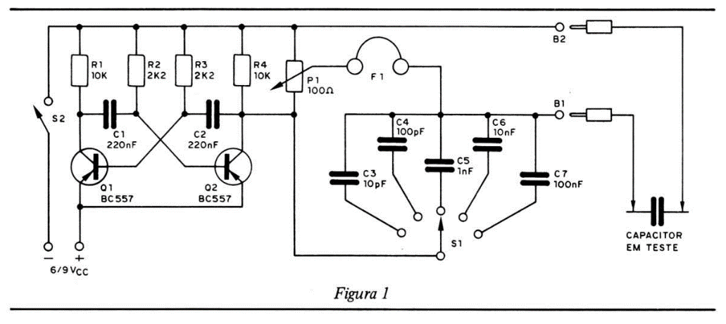
Usamos dois transistores (BC557 — PNP) formando um multivibrador, que a maioria dos leitores já conhecem. Aproveitando o multivibrador, cuja frequência é livre, teremos a corrente alternada que precisamos.
Na saída do multivibrador colocamos um potenciômetro de 100 ohms e, no seu ponto central, adaptamos um par de fones de alta impedância, que faz as vezes de detector.
Colocando diversos capacitores conhecidos, de preferência novos, com valores entre 10pf e 100nF, poderemos executar as nossas experiências. Usando uma chave comutadora com cinco pontos, ou mais, poderemos mudar os valores dos capacitores, até encontrar aquele que desejamos.
Este aparelhinho pode medir capacitores de até 10 µF, sem necessidade de alterar seus circuitos. Com os capacitores ligados em paralelo, e os capacitores desconhecidos colocados nas pontas de prova (B1 - B2), poderemos descobrir as capacitâncias dos mesmos.
MONTAGEM
O conjunto pode ser montado em ponte de terminais, numa placa de circuito impresso especialmente elaborada para ele ou em placa universal (vendida com as trilhas prontas).
O circuito do aparelho e sua montagem numa ponte de terminais são mostrados nas figuras 1 e 2, respectivamente.
A caixa poderá ser de madeira ou plástico e suas dimensões dependerão do tipo de montagem escolhido.
O potenciômetro e a chave comutadora (1 x 5) devem ficar pelo lado externo da caixa, onde também ficarão os terminais para as pontas de provas (B1 -B2) e a chave liga-desliga.
Se o montador não desejar que os fones fiquem fixos no aparelho, poderá colocar terminais para ligá-los e desligá-los do circuito, aproveitando-as em outras montagens.
Para facilitar a leitura direta, cortamos um círculo de cartolina, desenhando na mesma cinco faixas, ou mais, deixando um furo no centro para o eixo do potenciômetro. Construímos uma outra roda de plástico transparente, desenhando uma linha preta no meio, que funciona como ponteiro, e a colocamos sobre o disco de cartolina. Assim, ficamos com uma indicação móvel.
O círculo de plástico fica preso no eixo do potenciômetro e é movimentado por este. Na cartolina marcam-se as capacitâncias que vamos encontrando nas pesquisas.
Em alguns rádios comerciais, usa-se uma roda plástica para marcar as estações, que pode ser adaptada.
CALIBRANDO
Para calibrar o capacímetro colocamos a chave comutadora (1 x 5) no capacitor de 10pF. Nas pontas de prova (B1-B2) inserimos um capacitor de 20pF (capacitância conhecida) e ligamos o aparelho.
Colocando os fones nos ouvidos, devemos ouvir um som contínuo gerado pela corrente alternada.
Girando o eixo do potenciômetro (com o plástico) chegaremos em um ponto em que o som desaparece ou diminui sensivelmente. Nesse local (nulo) verificamos onde o risco do meio do plástico parou sobre o disco de cartolina colado na caixa, e marcamos o valor de 20pF.
Assim, vamos colocando diversos capacitores entre 10pF e 100pF, marcando os lugares em que o som nos fones se anula. Depois, fazemos o mesmo com os demais.
Com o disco de cartolina já marcado, poderemos achar a capacitância desconhecida, movimentando o potenciômetro até anular o som nos fones.
A marcação das capacitâncias não é 100% exata, mas é bem aproximada.
O capacímetro funciona como uma ponte de Wheatstone, comparando a resistência do capacitor conhecido, quando num circuito de corrente alternada, com a resistência do capacitor desconhecido.
Aqueles que apreciam experiências, podem se divertir e aproveitar a ideia, inclusive melhorar as características do nosso capacímetro "quebra--galho".


















