Como obter mais de seu sistema de som, casando suas características com as do ambiente físico em que ele se encontra e à própria sensibilidade de seu ouvido? Para os que desejam o máximo de perfeição em matéria de reprodução sonora, a única solução para este problema está no emprego de um equalizador gráfico. As diferenças que existem nas características físicas de um ambiente, dadas pela presença de móveis, cortinas, portas, janelas e até mesmo do próprio ouvinte podem ser compensadas com a ajuda de um equalizador gráfico, levando-as a um perfeito casamento com a sua sensibilidade auditiva. Descrevemos neste artigo de 1988 um excelente equalizador gráfico que pode ser usado em conjunto com a maioria dos equipamentos de som, apresentando equalizações em 5 faixas de frequências. Simples de montar, e alimentado por tensão de 12V, ele pode, inclusive, ser usado no carro.
Quando amplificadores, alto-falantes, caixas acústicas e outros equipamentos de som são projetados e testados, não são previstas as possíveis influências causadas pelo ambiente definitiva em que forem instalados.
Os testes e cálculos são feitos como se sua operação definitiva ocorresse sempre numa câmara anecóica, ou seja, num ambiente ideal em que não ocorra qualquer tipo de reflexão sonora. (figura 1)
Na prática, entretanto, móveis, cortinas, portas e janelas possuem um comportamento acústico bem definido, refletindo ou absorvendo os sons em determinadas faixas de frequências.
O resultado da influência destes elementos na reprodução do som é enorme: um sistema de som que apresenta uma qualidade fabulosa, impressionando o comprador quando testado numa câmara especial na loja, gerará ruídos desagradáveis ou terá uma resposta pobre em certas frequências quando instalado na sua casa ou mesmo no seu carro.
Os músicos sabem que não adianta afinar uma orquestra num teatro vazio, pois na hora do espetáculo a presença do público mudará totalmente as características acústicas do ambiente, alterando o som previamente obtido na afinação.
Os moderníssimos salões de espetáculos são projetados de tal modo que o material usado no revestimento de cada poltrona tem índices de absorção e reflexão de som equivalente ao de um espectador nela acomodado.
É claro que não existe a possibilidade de comprarmos um equipamento de som com características acústicas que sejam projetadas em função da sala em que vamos usá-lo, mas podemos alterar estas características de maneira sensível, chegando bem próximo de uma reprodução ideal.
Os móveis, cortinas, portas, janelas e demais objetos de uma sala absorvem ou refletem sinais de determinadas frequências em maior ou menor intensidade, provocando reforços ou atenuações que prejudicam a reprodução.
Um reforço indevido faz com que um som sobressaia ou provoque vibrações indesejáveis nos objetos, enquanto que um som atenuado provoca a sensação desagradável de ausência em determinado momento de uma música.
Se tivermos de reforçar os sons de frequências que sofram maiores absorções, e atenuar os sons que tenham maior índice de reflexão, poderemos chegar ao ponto de reprodução ideal.
O equipamento que faz isso recebe o nome de ”equalizador gráfico", e é justamente o que sugerimos neste artigo.
Os equalizadores são dotados de uma série de filtros que podem reforçar sons de determinadas frequências, no nosso caso 5, que são centralizadas em função da faixa que comumente cobre um sistema de som, e que afeta maís a nossa sensibilidade auditiva.
Atuando sobre os filtros, elevando ou reduzindo a intensidade do sinal nas frequências desejadas, obtemos então uma nova curva de resposta em frequência, ou seja, uma nova disposição gráfica para a faixa de sons reproduzidos.
Essa nova curva de resposta do circuito aproxima-o cada vez mais de um sistema de som perfeito, ou seja, com resposta linear e intensidade de som constante para toda a faixa de frequências reproduzidas (tipicamente de 20 Hz a 20 000 Hz).
Para um ouvido exigente, num ambiente de boa acústica, pode-se necessitar de reforço dos graves e agudos na audição de músicas, enquanto que para entendimento da palavra falada (uma gravação de discurso, palestra ou aula) necessita-se de um reforço dos médios com atenuação dos graves e agudos
Se quisermos ressaltar instrumentos baixos como por exemplo um surdo ou cello, o reforço dos graves pode ser usado.
Enfim, combinando algum conhecimento de acústica, a sensibilidade do usuário e as características do ambiente, com ajuda de um equalizador gráfico chega-se ao som ideal, tanto para uso doméstico como automotivo.
As características de nosso equalizador são:
Frequências centrais das faixas equalizadas: 50, 500, 1 200, 3200 e 6400 Hz
Tensão de alimentação: 12 V
Nível de tensão de saída: 1Vpp
Sensibilidade de entrada: 100 mV
Impedância de entrada: 68 ohms ou 47k ohms
COMO FUNCIONA
São utilizados 5 filtros ativos com 2 transistores cada, em que dois capacitores determinam a faixa central das frequências que devem passar.
A largura da faixa é dada pelo fator Q (fator de qualidade do circuito), sendo suficientemente ampla para que a ação de uma se encerre no ponto em que começa a ação da seguinte.
Isso significa uma cobertura contínua da faixa audível, com atenuações que vão de -12dB até +12dB tipicamente.
É claro que os leitores mais exigentes podem ampliar o circuito com o acréscimo de filtros em novas frequências. Para isso, sugerimos que se coloquem num gráfico os capacitores usados e as suas respectivas frequências de equalização, determinando por método gráfico (aproximação) os novos valores desejados para as faixas de frequência.
Nestes filtros são utilizados transistores de alto ganho e baixo nível de ruído, para melhor qualidade de som.
Os potenciômetros de entrada (P1 a P5) são deslizantes, de modo a facilitar seu posicionamento segundo a resposta gráfica de frequência desejada.
Um resistor de carga de 68 ohms é previsto para o caso da excitação ser feita por um amplificador ou saída de áudio de maior potência como, por exemplo, um rádio ou toca-fitas de carro.
Na saída do circuito temos uma etapa com dois transistores, cuja finalidade é fornecer a amplificação final e a realimentação para equalização. Esta etapa utiliza transistores complementares BC548 e BC558 com nível de sinal suficiente para excitar a entrada de qualquer amplificador comum.
No diagrama prevemos ainda a colocação de uma chave de 2 polos x 2 posições (S2) para comutação do sistema: através desta chave temos a passagem do sinal pelo equalizador ou sua passagem direta sem equalização.
MONTAGEM
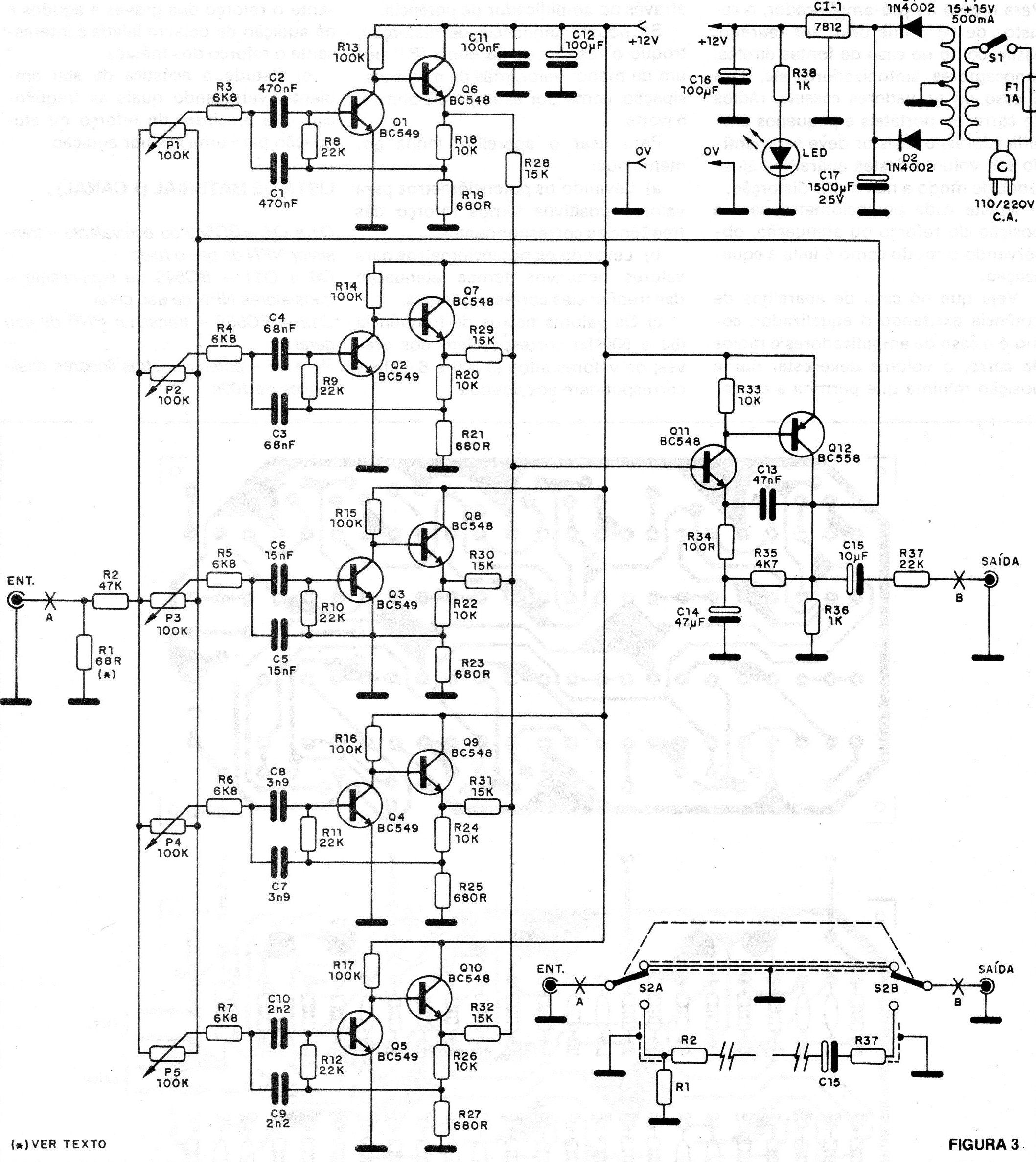
O diagrama completo do equalizador é mostrado na figura 3.
Como esse diagrama corresponde a um canal, para a versão estéreo precisaremos de duas dessas unidades.
A fonte de alimentação serve para os dois canais.
Na figura 4 damos os desenhos das placas de circuito impresso para o equalizador e para os potenciômetros deslizantes. Observe com atenção os pontos de interligação entre essas duas placas e utilize fios curtos nessa fase da montagem, para que não ocorram oscilações ou instabilidades.
Os cabos de entrada e saída de sinal devem ser blindados, e para reduzir a possibilidade de captação de zumbidos sugerimos a utilização de caixa metálica devidamente aterrada. O aterramento é feito ligando-se à caixa o negativo da fonte.
Equivalentes para os transistores podem ser usados: BC238 em lugar do BC548, BC239 em lugar do BC549 e BC308 em lugar do BC558.
Estes equivalentes, mais antigos, podem ser encontrados na sucata do próprio montador ou então em lojas de cidades afastadas, por fazerem parte de estoques não recentes.
Os capacitores usados na determinação das faixas de atuação do equalizador são de poliéster, mas na sua falta tipos como cerâmicos ou styroflex podem ser usados sem problemas, já que trabalhamos com sinais de frequências baixas.
Os resistores são todos de 1/8W com 10°/o de tolerância.
Os eletrolíticos têm tensões entre 16 e 25 V, conforme a lista de material, e alguns deles não são críticos podendo até ter valores maiores como os de desacoplamento de fonte e filtragem (C11, C12, C16 e C17).
O transformador também não é crítico, podendo ter correntes de secundário entre 0,5 e 1A e tensão na faixa de15 a 18 volts, sem problemas.
Os jaques de entrada e saída devem ser de tipo que corresponda aos cabos de conexão usados. Normalmente utilizam-se jaques RCA com a disposição de cabos padrão para a conexão da fonte de sinal e do amplificador final de potência.
O integrado regulador de tensão 7812 deve ser dotado de um pequeno radiador de calor.
Para a alimentação com 12 V no carro deve ser previsto um fusível de 1A, sendo a ligação do LED indicador feita com o mesmo resistor de 1k ohm x 1/8 W.
É importante notar que existem potenciômetros deslizantes de diversas dimensões, de modo que antes de fazer o painel com a escala o montador deve ter os componentes em mãos, o mesmo ocorrendo em relação à placa, já que os capacitores, principalmente eletrolíticos, variam de dimensões conforme o fabricante.
PROVA E USO
Terminando a montagem, confira todas as ligações e ligue a unidade, conectando uma fonte de sinal (rádio, gravador, toca-discos etc.) na entrada do circuito e um amplificador na sua saída.
Coloque os potenciômetros inicialmente na posição central (sem atenuação ou reforço) e ligue o sistema.
A reprodução deve ser normal, sem distorção. Ajuste o volume no próprio amplificador de potência.
Conforme a fonte de sinal (gravador, tape-deck ou toca-discos com cápsula cerâmica) podemos fazer a conexão diretamente no equalizador.
Para fontes de sinais fracas devemos usar um pré-amplificador ou mesmo um amplificador de pequena potência.
Para o caso de pré-amplificador, o resistor de 68 ohms deve ser retirado, assim como no caso de fontes diretas: fonocaptores, sintonizadores etc.
Para o caso de gravadores cassete, rádios de carro ou portáteis e pequenos amplificadores, o resistor deve ser mantido e o volume destes aparelhos ajustados de modo a não haver distorção.
Ajuste cada potenciômetro para a posição de reforço ou atenuação, observando o modo como é feita a equalização.
Veja que no caso de aparelhos de potência excitando o equalizador, como é o caso de amplificadores e rádios de carro, o volume deve estar numa posição mínima que permita a excitação, sendo o seu controle final feito através do amplificador de potência.
Se houver tendência de distorção, troque o resistor de 68 ohms (R1) por um de menor valor, mas de maior dissipação, como por exemplo 22 ohms x 5 watts.
Para usar o aparelho, tenha em mente que:
a) Levando os potenciômetros para valores positivos temos reforço das frequências correspondentes.
b) Levando os potenciômetros para valores negativos temos atenuação das frequências correspondentes.
c) Os valores baixos de frequência (50 e 500 Hz) correspondem aos graves; os valores altos (3 200 e 6 400 Hz) correspondem aos agudos.
d) Na audição de música é interessante o reforço dos graves e agudos e na audição da palavra falada é interessante o reforço dos médios.
e) Estude a acústica de seu ambiente, verificando quais as frequências que precisam de reforço ou atenuação para uma melhor audição.
LISTA DE MATERIAL (1 CANAL)
Q1 a B5 - BC549 ou equivalente - transistor NPN de baixo ruído.
Q6 a Q11 - BC548 ou equivalente transistores NPN de uso geral
Q12 - BC558 - transistor PNP de uso geral
P1 a P5 - potenciômetros lineares deslizantes de 100 k
R1 - 68 ohms x 1/8 W - resistor (azul, cinza, preto)
R2 - 47k x 1/8 W - resistor (amarelo, violeta, laranja)
R3 a R7 - 6k8 x 1/8 W- resistores (azul, cinza, vermelho)
R8 a R12 e R27 - 22k x 1/8 W- resistores (vermelho, vermelho, laranja)
R13 a R17 – 100 k x 1/8 W – resistores (marrom, preto, amarelo)
R18, R20, R22, R24, R26, R33 - 10k x 1/8 W - resistores (marrom, preto, laranja)
R19, R21, R23, R25, R27 - 680 ohms x 1/8 W- resistores (azul, cinza, marrom)
R28 a R32 - 15k x 1/8 W – resistores (marrom, verde, laranja)
R34 - 100 ohms x 1/8 W - resistor (marrom, preto, marrom)
R35 - 4k7 x 1/8 W - resistor (amarelo, violeta, vermelho)
R36 - 1k x 1/8 W - resistor (marrom, preto, vermelho)
C1, C2 – 470 nF - capacitores de poliéster
C3, C4 – 68 nF - capacitores de poliéster
C5, C6 – 15 nF - capacitores de poliéster
C7, C8 – 3n9 - capacitores de poliéster
C9, C10 - 2n2 - capacitores de poliéster
C11 – 100 nF - capacitor cerâmico ou de poliéster
C12 – 100 uF x 16 V - capacitor eletrolítico
C13 – 47 nF - capacitor de poliéster ou cerâmico
C14 – 47 uF x 16 V - capacitor eletrolítico
C15 – 10 uF x 16 V - capacitor eletrolítico
Diversos: placa de circuito impresso, botões para os potenciômetros, jaques de entrada e saída, fios blindados, chave comutadora (ver texto), fios, solda, suporte de placa etc.
LISTA DE MATERIAL PARA A FONTE (COMUM AOS DOIS CANAIS)
Cl-1 - 7812 - circuito integrado com radiador de calor
T1 - 15 + 15 V x 500 mA – transformador com primário de acordo com a rede local
D1, D2 - 1N4002 ou equivalentes - diodos retificadores de silício
LED - LED vermelho comum
S1 - interruptor simples
F1 - fusível de 1 A
R38 - 1k x 1/8 W - resistor (marrom, preto, vermelho)
C16 - 100,uF x 16 V - capacitor eletrolítico
C17 - 1 500 uF x 25 V - capacitor eletrolítico
Diversos: cabo de alimentação suporte para fusível, fios, solda etc.




















