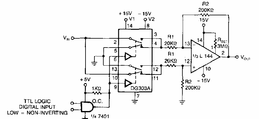
Sugerido pela Siliconix em documentação dos anos 90, este circuito admite componentes equivalentes atuais. Ele pode ser usado como um shield capaz de inverter a polaridade do sinal amplificado.
Sugerido pela Siliconix em documentação dos anos 90, este circuito admite componentes equivalentes atuais. Ele pode ser usado como um shield capaz de inverter a polaridade do sinal amplificado.