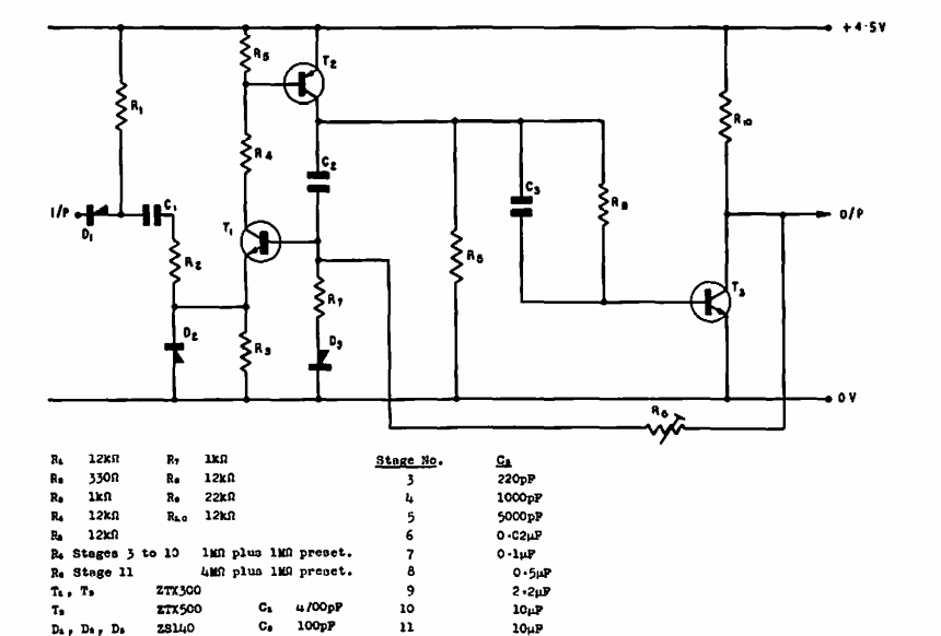
Encontramos este circuito em documentação da Ferranti de 1968. O circuito faz uso de transistores da época. Estes transistores podem ser substituídos por equivalentes modernos. O circuito divide a frequência de entrada por diversos valores.
Encontramos este circuito em documentação da Ferranti de 1968. O circuito faz uso de transistores da época. Estes transistores podem ser substituídos por equivalentes modernos. O circuito divide a frequência de entrada por diversos valores.