Controle de motor de duas fases CIR14465S CB7152E (CIR17424)
Detalhes
Escrito por: Newton C. Braga
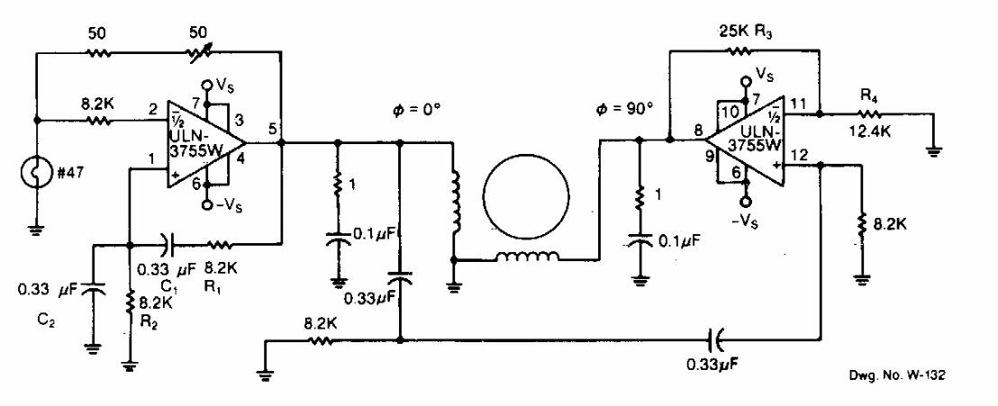
Sugerido pela Sprague em documentação dos anos 90, este circuito se aplica a motores AC. A documentação não indica a potência máxima do motor que pode ser controlado.