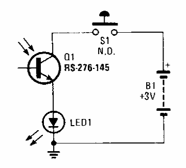
Este circuito foi encontrado numa antiga Popular Electronics. Com ele podemos verificar o funcionamento de um controle remoto infravermelho comum.

Este circuito foi encontrado numa antiga Popular Electronics. Com ele podemos verificar o funcionamento de um controle remoto infravermelho comum.
