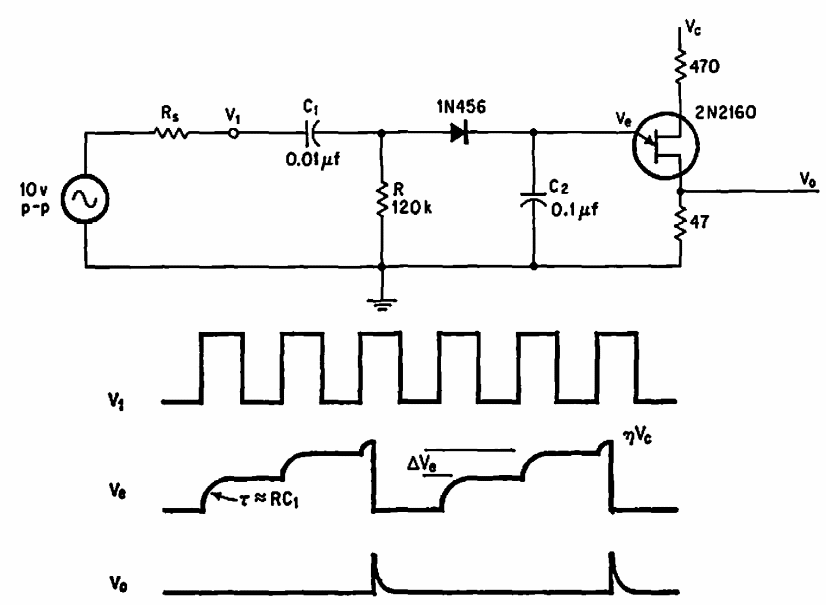
Encontrado em documentação americana de 1969, este circuito opera na faixa de frequências de 10 a 150 Hz fornecendo sinais conforme mostrado no próprio diagrama.

 


| Clique na imagem para ampliar |

 

 

 

NO YOUTUBE


NOSSO PODCAST