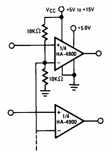
Este circuito foi sugerido pela Harris em documentação dos anos 80. O circuito faz uso de componentes da época para Interfacear uma saída CMOS com entradas TTL.

Este circuito foi sugerido pela Harris em documentação dos anos 80. O circuito faz uso de componentes da época para Interfacear uma saída CMOS com entradas TTL.
