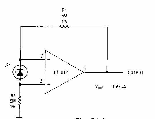
Encontrado em documentação da Linear Technology dos anos 90, este circuito usa um operacional da época. A configuração vale para outros amplificadores operacionais. A alimentação deve ser simétrica.

Encontrado em documentação da Linear Technology dos anos 90, este circuito usa um operacional da época. A configuração vale para outros amplificadores operacionais. A alimentação deve ser simétrica.
