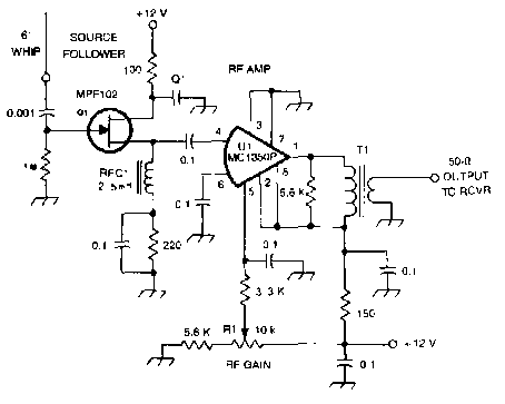
Encontrado numa documentação americana de 1992, este circuito para ondas médias e curtas usa um CI da época. Este componente é pouco comum atualmente.

Encontrado numa documentação americana de 1992, este circuito para ondas médias e curtas usa um CI da época. Este componente é pouco comum atualmente.
