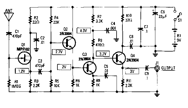
Este circuito para a faixa de ondas médias e curtas foi encontrado numa documentação americana de 1992. O circuito pode usar transistores de uso geral e a antena pode ser externa ou telescópica.
Este circuito para a faixa de ondas médias e curtas foi encontrado numa documentação americana de 1992. O circuito pode usar transistores de uso geral e a antena pode ser externa ou telescópica.