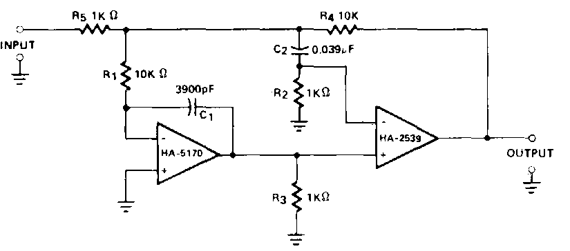
Este amplificador foi obtido numa documentação da Harris dos anos 90. O circuito é de alta velocidade possuindo um produto ganho x faixa passante de 300 MHz.

 


| Clique na imagem para ampliar |

 

 

 

NO YOUTUBE


NOSSO PODCAST