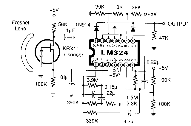
Este circuito foi obtido numa Radio Electronics dos anos 90. O sensor infravermelho é de tipo pouco comum atualmente, mas podem ser pesquisados equivalentes modernos.

Este circuito foi obtido numa Radio Electronics dos anos 90. O sensor infravermelho é de tipo pouco comum atualmente, mas podem ser pesquisados equivalentes modernos.
