Chave FET de alta velocidade CIR14230S CB6928E (CIR17189)
Detalhes
Escrito por: Newton C. Braga
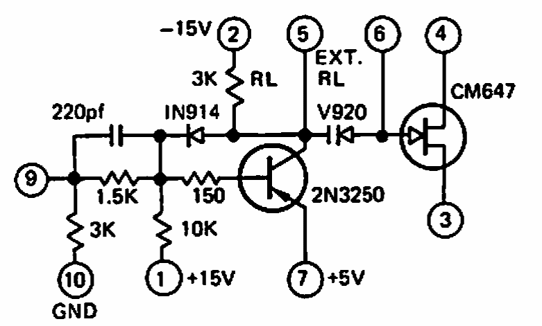
Encontrado em documentação americana de 1969, este circuito chaveia sinais com um FET da época. O circuito pode ser implementado com transistores equivalentes modernos.