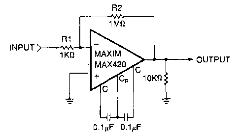
Este amplificador foi encontrado numa documentação da Maxim dos anos 90. O circuito é do tipo inversor com ganho 1 000 devendo usar fonte de alimentação simétrica.

Este amplificador foi encontrado numa documentação da Maxim dos anos 90. O circuito é do tipo inversor com ganho 1 000 devendo usar fonte de alimentação simétrica.
