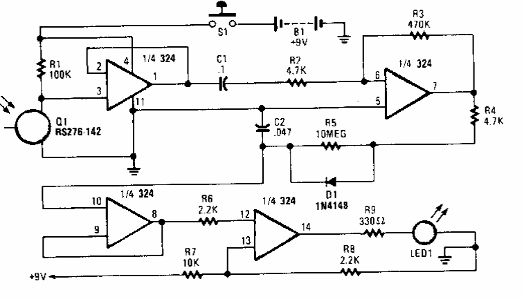
Encontrado numa Popular Electronics dos anos 90 este circuito detecta radiação infravermelha modulada servindo de teste para controles remotos. Sensores infravermelhos equivalentes ao indicado podem ser utilizados.
Encontrado numa Popular Electronics dos anos 90 este circuito detecta radiação infravermelha modulada servindo de teste para controles remotos. Sensores infravermelhos equivalentes ao indicado podem ser utilizados.