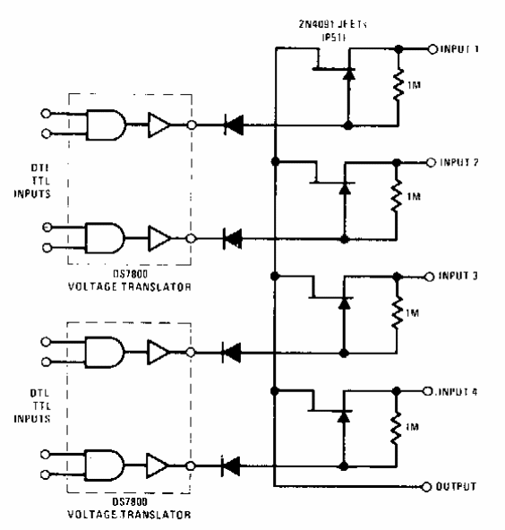
Encontramos este circuito em documentação da National Semiconductoi dos anos 80. O circuito usa componentes da época, servindo como referência.

Encontramos este circuito em documentação da National Semiconductoi dos anos 80. O circuito usa componentes da época, servindo como referência.
